Zum Hauptinhalt springen Zur Suche springen Zur Hauptnavigation springen
schneller Versand
Telefonische Beratung
Rufen Sie gerne an
Rechnungszahlung für Firmen/Behörden
Telefon: +49 (0)7362 - 919093

24V Netzteil 24V 500W 20A Case RSP Schaltnetzteil Eingang 85-264V

Produktinformationen "24V Netzteil 24V 500W 20A Case RSP Schaltnetzteil Eingang 85-264V"

24V 20A Netzteil 24V Schaltnetzteil Gleichspannung stabilisiert. Universal Hochleistungsnetzteil mit Universal Weitbereichseingang.

Technische Daten:

  • Eingangsspannung: 230VAC typisch ( 85...264Vac (47...63Hz) or DC 120..370V )
  • Ausgangsspannnung: 24V DC stabilisierte Gleichspannung
  • Einstellbare Ausgangsspannung 20..26,4V über integriertes Poti
  • Überspannungschutz: Ausgang 115-135% (27,6-32,4V)
  • Belastbarkeit Leistung: max 504 Watt bei 24Volt max 21A 
  • Restwelligkeit: nur 150mV
  • Kurzschlußfest, Überlastschutz
  • Galvanisch getrennt Eingang / Ausgang
  • Setup-Rise Time: 1500ms, 50ms full load
  • Hold UpTime: 18ms
  • Line Regulation: +/- 0,2%
  • Soft-Start mit Strombegrenzung
  • Eingebauter EMI-Entstörfilter
  • PFC Power Factor 0,95/230Vac
  • Hoher Wirkungsgrad 8+%
  • 100% Burn-In Test unter Vollast
  • Einsatz Temperaturbereich: -30°...+ 70°C
  • Integrierte Lüfter mit Regelung: RTH2 50°C Fan ON bzw. 40° Fan OFF
  • Schraubanschlüsse wie folgt: 
  • Input 230V AC 2x Klemmen ( L / N ) und PE = FG-Ground
  • Output: 3x Plus 24V und 3x Minus 24V 
  • Fernsteueranschlüsse 4polig = 2x Remote ON-OFF / 2x Sens Leitung
  • Remote Ein/Aus Funktioniert wie folgt: Pin-3 ( - ) und Pin-4 ( + )
  • Ext. Schalter Offen ( 0...0,8V DC ) oder auch einfach nicht belegt = Netzteil ON = Voll funktionsfähig
  • Ext. Schalter auf EIN geschlossen ( 4...10V DC ) Kontakt geschlossen = Netzteil OFF = ohne Funktion
  • Integrierte Remote Sense Funktion ( Pick-Up Lastfühler ) muss nicht zwingend angeschlossen sein
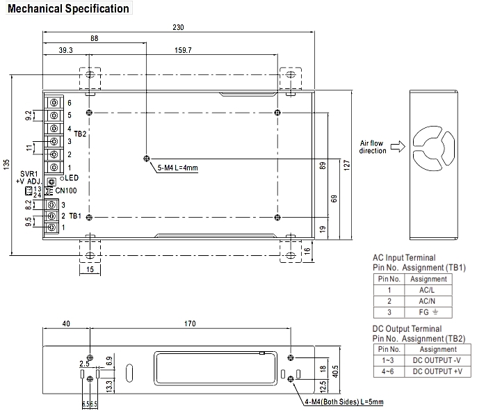
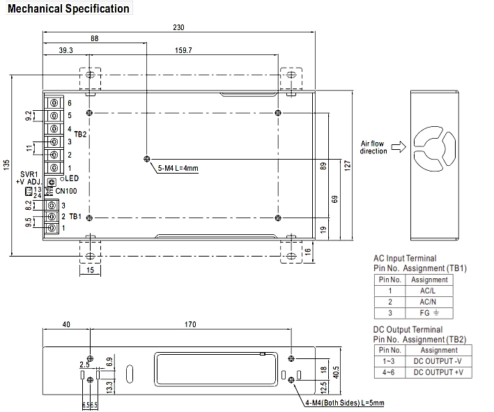
  • Abmessungen B:127mm H:40,5mm T:230mm (230mm mit Klemmen)
  • Am Netzteilboden befinden sich 5xM4 Gewinde zur Befestigung ( RM: 89 x 160mm )
  • An der Netzteilseite befinden sich 4xM4 Gewinde zur Befestigung ( RM: 18 x170mm )
  • M4 Schraubenlänge max 5mm zur Befestigung
  • Gewicht: 1,3kg

Ersetzt unter anderem auch MeanWell SP500-24

Zubehör erhältlich z.B. Halter für die Befestigung auf Hutschiene optional erhältlich 

  • Bst Nr  93-808-03250 = Hutschienenclip ohne Bohrungen frei einteilbar
  • Bst Nr  93-808-03220 = seitliche Halter für freie Montage z.B. auf Blechen, im Schaltschrankboden etc.

0 von 0 Bewertungen

Durchschnittliche Bewertung von 0 von 5 Sternen

Bewerten Sie dieses Produkt!

Teilen Sie Ihre Erfahrungen mit anderen Kunden.


Produktgalerie überspringen

Ähnliche Artikel

Rabatt
Neu
24V Netzteil  24V 2400W 100A Case Schaltnetzteil RSP2400 Eingang 180-264V
24V Netzteil 24V 2400W 100A Case Schaltnetzteil RSP2400 Eingang 180-264V

24V 100A Netzteil Hochleistungsnetzteil geschlossene Bauform mit zwei integrierten Lüftern 24/7 tauglich  Bis zu 3 dieser Netzteile können zusammengeschaltet werden auf 24V 300A 7200W = 7,2KW siehe weitere Bilder !  Technische Daten: Eingangsspannungsbereich: 180..264V AC 50/60Hz 47-63Hz oder 254..370V DC   Ausgangsleistung: 2400 Watt Ausgangsspannnung: 24Volt DC (einstellbar 22...28V) Gleichspannung   Belastbarkeit Ausgang: 0-100A Überlast bis auf max 112% der Nennleistung max Peak 112A kurzfristig  Geringe Restwelligkeit: 150mVp-p Überspannungsschutz Ausgang: 28,8-33,6V Netzausfallüberbrückung (bei 230V): 12ms Setup, Rise-Time: 1000ms, 80ms full load Hold up Time: 12ms at full load Load & Line Regulation: +/-0,5% Wirkungsgrad: 90% Remote ON-OFF (über optional erhältlichen Anschlusskit Mini-Pfostenverbinder Nr.: 40-874-00390  Schraubanschlüsse 2x Hauptlast Parallelbetrieb von bis zu 3 Netzteilen möglich siehe Plan Kurzschlußfest Überlastschutz 100-112% Hoher Wirkungsgrad 90%  Soft-Start mit Strombegrenzung  Eingebauter Entstörfilter 100% Burn-In Test unter Vollast Temp.-Bereich: -20°...+70°C Befestigung über 4xM4 Gewinde im Boden oder Seitenteil 4xM4 (Gewinde im Gehäuse) Abmessungen: L:278mm B:178mm H:63,5mm Gewicht: 3.3kg Zubehör erhältlich siehe Zubehör-Register unten z.B. oder unter Suche eingeben Bst Nr 40-874-00390 =   8-pol Steuerkabel CN1/CN2 Pfostenkabel mit Steckverbinder Bst Nr 40-874-00395 = 10-pol Steuerkabel CN3 Pfostenkabel mit Steckverbinder Bst Nr 93-808-03220 = Halterung Netzteilhalter Befestigungswinkel

Verkaufspreis: 509,00 € Regulärer Preis: 599,00 € (15.03% gespart)
Rabatt
24V Netzteil 24V 1000W 40A Case RSP Schaltnetzteil Eingang 90-264V
24V Netzteil 24V 1000W 40A Case RSP Schaltnetzteil Eingang 90-264V

24V 40A Netzteil mit 1000W Leistung. Hochleistungnetzteil geschlossene Bauform mit zwei integrierten Lüftern 960 Watt Leistung Technische Daten: Eingangsspannungsbereich: 230Vac Autom. Weitbereichseingang 90..264Vac bzw 127..370Vdc Netzfreq: 47...63Hz 24/7 tauglich Ausgangsleistung: 960 Watt (max. 1000W) Ausgangsspannnung: 24Volt DC ( Adjust  20,5...26,4V über Poti )  Somit geeignet für Spannung 21V, 22V, 23V, 24V, 25V, 26V Ausgangsstrom: 0-40A  Geringe Restwelligkeit 150mVp-p  Netzausfallüberbrückung (bei 230V): 16ms Wirkungsgrad: 88%  Remote ON-OFF ( Fernsteuerung EIN-AUS ) siehe auch weitere Bilder  Parallel schaltbar zur Stromerhöhung mit mehreren Netzteilen ( siehe weitere Bilder )  Schraubanschlüsse 2x Hauptlast für Lastkabel Kurzschlußfest  Überlastschutz  Überspannungschutz 115-135% Ausgang 27,6-32,4V  Hoher Wirkungsgrad Soft-Start mit Strombegrenzung  Eingeb.Entstörfilter 100% Burn-In Test unter Vollast Temperatur Einsatzbereich: -20°...+60°C Schraubanschlüsse: Pin 1: Input Nulleiter (N) Pin 2: Input Phase (L) Pin 3: Schutzleiter (PE) V+ = Ausgangsklemme (+) V- = Ausgangsklemme (-) CN50 = Steuerkontakte ( wenn benötigt = Bst Nr 40-874-00390 ( 8pol ) oder 40-874-00400 ( 12pol ) ) Befestigung über 3xM4 Gewinde im Boden oder Seitenteil 3xM4 (Gewinde im Gehäuse siehe Zeichnung)  Abmessungen: L:295mm B:127mm H:41mm Gewicht: 1.75kg Erhältliches Zubehör = Befestigungswinkel = Bst Nr 93-808-03220 ( ggf. unter Suche eingeben )

Verkaufspreis: 259,00 € Regulärer Preis: 358,99 € (27.85% gespart)
Rabatt
24V Netzteil 24V 120W 5A für DIN Hutschiene Eingang 230VAC NDR120
24V Netzteil 24V 120W 5A für DIN Hutschiene Eingang 230VAC NDR120

24V 5A Netzteil für die Hutschienen DIN Rail Montage  24Volt Netzteil mit 120-Watt Leistung. Ideal für alle 24Volt Verbraucher aller Art. Extrem stabiles und robustes 24V Industrienetzteil. Einsatzbereich Schaltschrankbau, Maschinenbau, LED Stromversorgung usw. stabilisierte 24Volt Ausgangsspannung Technische Daten: direkt auf 35mm DIN-Schiene montierbar berührsichere Schraubklemmen weiter Eingangsspannungsbereich Eingangsspannung: 230Vac typisch Weitebereichseingang: 90...264Vac Wechselstrom oder 127...370Vdc Gleichspannung Eingangsfrequenz: 47..63 Hz Ausgangsspannung: 24V DC stabilisierte Gleichspannung Ausgangspannung über Poti 24...28V nachstellbar Poti unterhalb der 4er Ausgangsklemme im Frontbereich Belastbarkeit Ausgang: 0-5A = max 5000mA bei 24V Mindestlast Nein Line Regulation: +/-2% Load Regulation: +/-1% Restwelligkeit: nur 100mV Voltage Tolerance: +/-2% Leistung: max 120Watt Effektivität: 88% 100% full load burn-in test Ausganggschutz (Überspannung): 29..33V Kurzschlusschutz: Ja automatisch Betriebstemperaturbereich: -20... +70 °C Überspannungsschutz: Ja 120-140% Leistungsbegrenzung Setup, Rise, Hold Time: 1200ms, 60ms, 16ms by 230V AC Over Load Protection: 105-150% of rate load Abmessungen: B: 40mm H: 125,2mm T: 113,5mm Gewicht: 0,6kg  Erfüllt Normen : Sicherheit : UL508,  BS EN/EN62368-1, EAC TP TC 004 approved;(meet BS EN/EN60204-1) RoHs : Ja  EMC Emission : Compliance to BS EN/EN55032 (CISPR32), BS EN/EN61204-3 Class B,                            BS EN/EN61000-3-2,-3, EAC TP TC 020 EMC Immunity : Compliance to BS EN/EN61000-4-2,3,4,5,6,8,11, BS EN/EN55024,                            BS EN/EN61000-6-2 (BS EN/EN50082-2),                            BS EN/EN61204-3, heavy industry level, criteria A, EAC TP TC 020

Verkaufspreis: 27,90 € Regulärer Preis: 34,95 € (20.17% gespart)
Rabatt
24V Netzteil 24V  650W 27A Case HRP Schaltnetzteil Eingang 85-264V
24V Netzteil 24V 650W 27A Case HRP Schaltnetzteil Eingang 85-264V

24V Netzteil Gleichspannung stabilisiert. Universal Hochleistungsnetzteil mit autom. Weitbereichseingang Einsatz z.B. in folgenden Bereichen: Maschinenbau, 24V Schaltungen, LED-Technik, Steuerungen, Labor, Interface, 24V Motoren, Beleuchtung usw.  Technische Daten: Stromversorgung Spannung: 230Vac typisch Eingangsspannungsbereich: 85...264Vac (47...63Hz) or DC 120-370V Ausgangsspannnung: 24Vdc (einstellbar über Poto 21,6..28,8V) Belastbarkeit-Ausgang: 0-27A = 648W Überspannungschutz: Ausgang 115-135% (30-34,8V) Leistung: 650 Watt bei 24 Volt 0-27A Restwelligkeit: 150mV Kurzschlußfest Überlastschutz Setup- / Rise Time: 1000ms, 50ms full load Hold UpTime: 16ms Line Regulation: +/- 0,2% Soft-Start mit Strombegrenzung Eingebauter EMI-Entstörfilter PFC Power Factor 0,94/230Vac Hoher Wirkungsgrad 88% 100% Burn-In Test unter Vollast Parallelschaltung mehrere Netzteile: Nein nicht ausgelegt  Einsatz Temperaturbereich: -40°...+70°C Integrierte Lüfter mit Regelung: TRTH2 >50°C Schraubanschlüsse wie folgt: Input: 3-Klemmen = 2x (L/N) und 1x FG-Ground (PE) Output: 3x Plus 24V und 3x Minus 24V Remote bzw. Fernsteueranschlüsse: 4pol 1=DC-OK / 2=GND / 3=+S / 4=-S Integrierte Remote Sense Funktion Abmessungen B:105mm H:63,5mm T:218mm (230mm mit Klemmen) Am Netzteilboden befinden sich 4xM4 Gewinde zur Befestigung An der Netzteilseite befinden sich 4xM4 Gewinde zur Befestigung Gewicht: 1,6kg Optionale Halter und Bef.Platten: 93-808-03220 + 93-808-03240 + 93-808-03230 or 93-808-03250 (siehe Zubehör-Register)

Verkaufspreis: 175,00 € Regulärer Preis: 228,99 € (23.58% gespart)
24V 6A Netzteil 150W für Hutschiene ideal für 24V Steuerungen und induktive Lasten wie Motoren 
24V 6A Netzteil 150W für Hutschiene ideal für 24V Steuerungen und induktive Lasten wie Motoren 

24V 6,3A Netzteil mit 150W direkt auf DIN-Schiene / Hutschiene montierbar solide Industrieausführung  Direkt auf DIN-Schiene (Hutschiene) montierbar + geschlossene Bauform + Kein Lüfter + 170% PowerBoost Funktion für 10Sek.  Besonder Eigenschaften : 170% Power Boost für 10 Sekunden somit auch ideal für induktive Lasten wie Motoren  Konvektionsgekühlt = keine Lüfter also leise  Parallel Funktion ( Es können mehrer Netzteil zusammengeschaltet werden )  berührgeschützte Schraubanschlüsse  Überlastschutz durch Strombegrenzung Überspannungsschutz  Kurzschlussfest mit Auto Recover Funktion  hoher Wirkungsgrad von 93%  LED-Anzeige für Power-On  100 % Burn-In-Test unter Volllast  eingebauter Entstörfilter, geringe Restwelligkeit. Einsatz bei Elektroverteiler und Modellbau, Schaltanlagen und Meß / Regeltechnik, Automatisierung, SPS und Microelektronik, Smart-Home Systeme, Motore und Beleuchtung. Somit verwendbar für Anwendungen im 24Volt Gleichspannungsbereich: Technische Daten: Betriebspannung: 230VAC typisch 50/60Hz  Eingangsspannung 85...264Vac (47..63Hz oder 120...370Vdc)  Power Factor: > 0.96  Ausgangsspannung: 24Vdc (Gleichspannung) stabilisiert  Feineinstellung über Poti 23...28V Frontseitig  Belastbarkeit / Leistung: 150Watt  Ausgangsstrom: max. 6,3A   Restwelligkeit: 240mV = Ripple/Noise: < 1 % of Output Voltage  Hold-up Time: 20ms full Load, 230 VAC Parallel OperaOon: Yes  Wirkungsgrad: 93%  Überlastschutz: Ja  Übertemperaturschutz: Ja /  Überspannungsschutz für den Ausgang bei 35V  1x Status LEDs (DC ok) Safety Norm:   CE compliance with Low-Voltage DirecOve 2014/35/EU  EMC DirecOve compliance with 2014/30/EU  Safety compliance with UL508, UL60950-1, EN60950-1 Betriebstemperaturbereich: - 0° ... + 70 °C  Anschluss über steckbare Schraubklemmen Ausgang: (3x(+) und 3x(-)) / Anschluss über steckbare Schraubklemmen Ausgang:  Anschluss über steckbare Schraubklemmen Eingang: 3x Klemmen (PE / N / L) Abmessungen: B: 43mm T:76,5mm mit Klemmen 90mm H:127mm  Hutschienenclip rückseitig befestigt und anbei für übliche TS35 DIN Schiene Gehäuse: Aluminium Lüftungsschlitze oben und unten Lüfter: Nein   erhältlich auch in folgenden Varianten 93-807-03024 = 24V  10W Hutschienen Netzgerät 93-807-07012 = 12V  10W Hutschienen Netzgerät 93-807-03025 = 24V  30W Hutschienen Netzgerät 93-807-03023 = 12V  30W Hutschienen Netzgerät 93-807-03026 = 24V  60W Hutschienen Netzgerät 93-807-03038 = 12V  60W Hutschienen Netzgerät 93-807-03027 = 24V 100W Hutschienen Netzgerät 93-807-06155 = 24V 150W Hutschienen Netzgerät 93-807-06180 = 12V 150W Hutschienen Netzgerät 93-807-07240 = 24V 240W Hutschienen Netzgerät 93-807-07120 = 12V 240W Hutschienen Netzgerät

Regulärer Preis: Ab 98,88 €
24V 10A Netzteil 24V 240W für DIN Hutschiene Eingang 100-250V

Durchschnittliche Bewertung von 5 von 5 Sternen

24V 10A Netzteil 24V 240W für DIN Hutschiene Eingang 100-250V

24V Netzteil direkt auf DIN-Schiene / Hutschiene  montierbar geschlossene Bauform + TOP Industriequalität extrem zuverlässig ohne Lüfter  Einsatz bei Elektroverteiler Industriesteuerungen SPS Schaltanlagen Motorsteuerungen und Mess- und Regeltechnik, Automatisierung, SPS und Microelektronik, BLC + DC Motore Beleuchtung usw. verwendbar für 24Volt DC Anwendungen aller Art  Technische Daten: geschlossene Bauform TOP-Qualitä !  konvektionsgekühlt = keine Lüfter also leise berührgeschützte Schraubanschlüsse Überlastschutz durch Strombegrenzung, auto recovery Überspannungsschutz Kurzschlussfest Hoher Wirkungsgrad  Parallel verwendbar mit weiteren Netzteilen der selben Serie ( parallel use and boost power ) PFC = Ja Power Factor Korrektur  LED-Anzeige für Power-Status 100 % Burn-In-Test unter Volllast eingebauter Entstörfilter, geringe Restwelligkeit Technische Daten: Eingangsspannung 100...240Vac (47..63Hz oder 120...370Vdc)  Ausgangsspannung: 24Vdc (Gleichspannung) stabilisiert Feineinstellung über Poti 23...28V frontseitig Leistung: 240 Watt Ausgangsstrom: max. 10A  Restwelligkeit: 180mV Line Regualtion: 1% Wirkungsgrad: 90% Überlastschutz: Ja Übertemperaturschutz: Ja Überspannungsschutz: Ausgang max. 31V Automatischer Restart by more then 110-140%  1x Status LEDs (DC ok) Safety Norm: EN60950-1 Normen: IEC60950-1-2005+A1+A2 / EN60950-1-2006+A11+A1+A12+A2:2013 EN55022:2010 / EN55024:2010 / EN61000-3-2-A1+A2 / IEC61000-3-3:2013 / EN61000-3-3:2013 EC-NO 278-2009 EN50563:2011 / EN50581:2012 Low Voltage Directive 2014/35/EU EMC Directive 2014/30/EU ERP konform bei Last 0mA sinkt der Eigenverbrauch unter 0,5Watt  Betriebstemperaturbereich: - 20° ... + 70 °C Anschluss über steckbare Schraubklemmen Ausgang: (3x(+) und 3x(-)) Anschluss über steckbare Schraubklemmen Eingang: 3x Klemmen (PE/N/L) Abmessungen: B: 60mm T:102mm mit Klemmen 113mm H:127mm Hutschienenclip anbei für übliche TS35 DIN Schiene Gehäuse: Aluminium Lüftungsschlitze oben und unten - Lüfter Nein Gewicht: 0,71kg erhältlich auch in folgenden Varianten 93-807-03024 = 24V  10W Hutschienen Netzgerät 93-807-07012 = 12V  10W Hutschienen Netzgerät 93-807-03025 = 24V  30W Hutschienen Netzgerät 93-807-03023 = 12V  30W Hutschienen Netzgerät 93-807-03026 = 24V  60W Hutschienen Netzgerät 93-807-03038 = 12V  60W Hutschienen Netzgerät 93-807-03027 = 24V 100W Hutschienen Netzgerät 93-807-06150 = 24V 150W Hutschienen Netzgerät 93-807-06180 = 12V 150W Hutschienen Netzgerät 93-807-07240 = 24V 240W Hutschienen Netzgerät 93-807-07120 = 12V 240W Hutschienen Netzgerät  

Regulärer Preis: Ab 99,99 €