Zum Hauptinhalt springen Zur Suche springen Zur Hauptnavigation springen
schneller Versand
Telefonische Beratung
Rufen Sie gerne an
Rechnungszahlung für Firmen/Behörden
Telefon: +49 (0)7362 - 919093

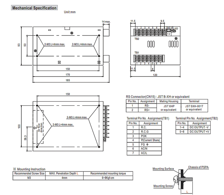
15V Netzteil 1000W 64A In 90-264V CASE einstellbar 14V-17V PSPA

Produktinformationen "15V Netzteil 1000W 64A In 90-264V CASE einstellbar 14V-17V PSPA"

15V Netzteil 15V Gleichspannung stabilisiert. Hochleistungnetzteil geschlossene Bauform mit Lüfter.

Diese primär getakteten Schaltnetzteile liefern an den Ausgängen eine hochstabile, einstellbare Gleichspannung von 14V bis 17V bei einem Dauerlaststrom von bis zu 64A. Die Schaltfrequenz von ca. 100kHz gestattet die Verwendung kleinster Bauteile. Größe und Gewicht dieser getakteten Netzgeräte konnten, im Vergleich mit herkömmlichen Linearnetzgeräten, um ca. 80% reduziert werden. Diese Schaltnetzteilserie verfügt über eine Klemmleiste, Trimmer zum feineinstellen. 

  • Geschlossene Bauform ( Case ) mit Lüfter
  • Eingang / Ausgang über Schraubanschlüsse
  • Ausgang mit Parallel-Funktion es können 4-Netzteile zusammengeschaltet werden !
  • Stromaufteilung bis zu 4000W ( 3+1 )
  • geschützt gegen Kurzschluss, Überlast, Überspannung, Übertemperatur
  • eingebauter PFC-Schaltkreis
  • Ein- und Ausschalten der Ausgangsspannung über Remotesignal
  • Sensoranschluss für korrekte Spannung an der Last 

Technische Daten:

  • Leistung: max. 1000VA = 960Watt
  • Eingangsspannung: 230VAC 50Hz 
  • AC Input: 90...264Vac 47-63Hz /oder DC-Input mit 127...370Vdc
  • Ausgangspannung: 15V DC stabilisiert ( über Poti einstellbar im Bereich 14-17V )
  • Somit geeignet für Spannungen 14,0V 14,2V 14,4V 14,5V 14,8V 15,0V 15,5V 16,0V 16,5V 17V 
  • Ausgangsstrom 0-64A ( keine Mindestlast ) 
  • Restwelligkeit: 150mV
  • Wirkungsgrad: 93%
  • Ausgangsschutz vor Überspannung : 18,2-20,6V
  • Setup-Timme : 1000ms / Rise Time 50ms
  • Integrierte Status-LED und Trimmer für Feineinstellung
  • Überlastschutz: 115...140% shut down. autom. restart.
  • Betriebstemperatur: -20...+70°C
  • Lüftung: durch integrierte Lüfterkühlung
  • Anschlüße über Schraubklemmen
  • Eingang : L + N + PE ( Klemmen 5= PE / 6= N / 7=L )
  • Ausgang über 4x Plus ( 5-8 ) und 4x Minus ( 1-4 )
  • Fernsteuerungsanschluss Remote ON-OFF usw.
  • Erfüllt alle gängigen Sicherheitsnormen 
  • UL62368-1, CAN/CSA C22.2 No. 62368-1, TUV BS EN/EN62368-1, BSMI CNS14336-1,
  • AS/NZS62368.1, EAC TP TC 004 approved
  • EMC EMISSION : BS EN/EN55032 (CISPR32) / BS EN/EN61000-3-2 +3
  • EMC IMMUNITY : BS EN/EN61000-4-2 ( +3/+4/+5/+6/+8 )
  • Abmessungen: T: 170x B: 120mm H: 93mm
  • Gewicht: 1,93Kg
  • Orginale Bef.Winkel von Herstellerseite gibt es nicht; es muß immer ein Standad Metallwinkel etwas angepasst werden 
  • Am Boden und seitlich befinden sich M3 Innengwinde wo das Netzteil befestigt werden kann ( max Tiefe 4,0mm )
  • Siehe auch weitere Bilder = Zeichnung, Doku usw.  
  • Bst Nr.: 93-808-03210 = DIN Befestigungstreifen 140x20mm zu MW SNT ( RM100mm integriert  ) 
  • Bst Nr.: 93-808-03250 = 175mm DIN Schienen Hutschienenclip ( muß jedoch 2x Löcher nachgebort werden ) 

Zusatzinfo : Dieses Netzteil besitz einen Ausgang mit Parallel-Funktion für den Einsatz mit Hochstrom-Anwendung 

  • 1x Art-Nr 93-807-00252 = ergibt   960Watt Netzteil 15V DC 0-64A 
  • 2x Art-Nr 93-807-00252 = ergibt 1920Watt Netzteil 15V DC 0-128A 
  • 3x Art-Nr 93-807-00252 = ergibt 2880Watt Netzteil 15V DC 0-192A 
  • 4x Art-Nr 93-807-00252 = ergibt 3840Watt Netzteil 15V DC 0-256A 

 

0 von 0 Bewertungen

Durchschnittliche Bewertung von 0 von 5 Sternen

Bewerten Sie dieses Produkt!

Teilen Sie Ihre Erfahrungen mit anderen Kunden.


Produktgalerie überspringen

Zubehör

DIN Befestigungstreifen 140x20mm zu MW SNT
DIN Befestigungstreifen 140x20mm zu MW SNT

Befestigungsstreifen für MeanWell Schaltnetzteile Länge 140mm Breite 20mm Befestigungsstreifen für MeanWell Schaltnetzteile 6 Bohrungen 50mm / 100mm / 130mm  davon 4x 6mm Durchmesser und 2x 3,5mm zum Beispiel für die Montage von SNTSerie  PSP-600 und SP-500 usw.

Regulärer Preis: Ab 0,50 €
DIN Schienen Hutschienenclip 175mm Clip
DIN Schienen Hutschienenclip 175mm Clip

Hutschienen mit Halteclip 175mm Abmessungen: B:175mm x H:48mm Materialstärke: 2,5mm Material: Aluminium  

Regulärer Preis: Ab 6,80 €