Zum Hauptinhalt springen Zur Suche springen Zur Hauptnavigation springen
schneller Versand
Telefonische Beratung
Rufen Sie gerne an
Rechnungszahlung für Firmen/Behörden
Telefon: +49 (0)7362 - 919093

15V Netzteil 1500W 100A In 90-264V CASE RSP-1500 Schaltnetzteil einstellbar 13,5V-16V

Produktinformationen "15V Netzteil 1500W 100A In 90-264V CASE RSP-1500 Schaltnetzteil einstellbar 13,5V-16V"

15V Netzteil 15V Gleichspannung stabilisiert. Hochleistungschaltnetzteil geschlossene Bauform mit Lüfter.

Diese primär getakteten Schaltnetzteile liefern an den Ausgängen eine hochstabile, einstellbare Gleichspannung von 13,5V bis 16V bei einem Dauerlaststrom von bis zu 100A. Die Schaltfrequenz von ca. 100kHz gestattet die Verwendung kleinster Bauteile. Größe und Gewicht dieser getakteten Netzgeräte konnten, im Vergleich mit herkömmlichen Linearnetzgeräten, um ca. 80% reduziert werden. Diese Schaltnetzteilserie verfügt über eine Klemmleiste, Trimmer zum feineinstellen.

Technische Daten:

  • Leistung: max. 1500VA = 1536Watt
  • Eingangsspannung: 230VAC 
  • AC Input: 90...264Vac 47-63Hz /oder DC-Input mit 127...370Vdc
  • Ausgangspannung: 15V DC stabilisiert ( über Poti einstellbar im Bereich 13,5-16V )
  • Somit geeignet für Spannungen 13,5V 13,8V 14,2V 14,4V 14,8V 15V 15,5V 16V 
  • Ausgangsstrom 0-100A 
  • Netzausfallüberbrückung: >16ms
  • Überlastschutz: 115...140% shut down. autom. restart.
  • Alarm Signal Output
  • Betriebstemperatur: -20...+70°C
  • Lüftung: 2fach Lüfterkühlung
  • Fernsteuerungsanschluss Remote ON-OFF usw. über ext. Steckpins
  • Gewicht: 2,75kg
  • Restwelligkeit: 200mV / Wirkungsgrad: 91%
  • Anschluss über Schraubklemmen
  • Abm.: T:278mm H:84mm B:127mm
  • Anschluss über Schraubklemmen
  • Orginale Winkel von Herstellerseite gibt es nicht; es muß immer ein Standad L-Metallwinkel etwas angepasst werden 
  • Am Boden und seitlich befinden sich M4 Innengwinde wo das Netzteil befestigt werden kann ( max Tiefe 5,0mm )
  • Befestigung z.B. M4 Schraubem mit max 5mm tiefe und Std. L-Winkel ebenso möglich ( siehe Zeichnung weitere Bilder ) 
  • Befestigung mit optionalem Hutschienenclip möglich muß leider auch angepasst werden  ( siehe Zubehör-Register ) 
  • Abmessungen: T:278mm H:84mm B:127mm
  • Gewicht: 2,75kg 

Optional ist noch zusätzlich erhältlich zur Befestigung ( fals Sie das benötigen wäre unsere  Empfehlung wie folgt ) 

  • Bst Nr.: 93-808-03210 = DIN Befestigungstreifen 140x20mm zu MW SNT ( muß ein Loch nachgebohrt werden ) 
  • Bst Nr.: 93-808-03250 = 175mm DIN Schienen Hutschienenclip ( muß jedoch 2x Loch nachgebort werden ) 

Optional ist noch zusätzlich erhältlich Anschlußkabel  

  • Bst Nr .: 42-772-01230 = 35qmm Kabelsatz - Rot + Schwarz jeweils 1m lang mit mit Ringschuhen
  • Bst Nr .: 42-772-01200 = 35qmm Kabelsatz - Rot + Schwarz jeweils 2m lang mit mit Ringschuhen

Alternativen je nach Projekt und Einsatz   

  • Bst Nr : 42-772-00760 = 25qmm Kabel Schwarz ( für Minus 24V ) Meterware ohne Ringschuhe
  • Bst Nr : 42-772-00750 = 25qmm Kabel Rot         ( für Plus   24V )  Meterware ohne Ringschuhe
  • Bst Nr.: 31-843-00045 = Sicherungshalter 2-fach für AGU Fuse vergoldet zum anschrauben 103x47x32mm 
  • Bst Nr.: 31-842-00440 = 40A AGU-Fuse vergoldet 
  • Bst Nr.: 39-400-00200 = Sicherungshalter 1-fach.MEGA Fuse Sicherungen M8 mit Deckel bis 400A

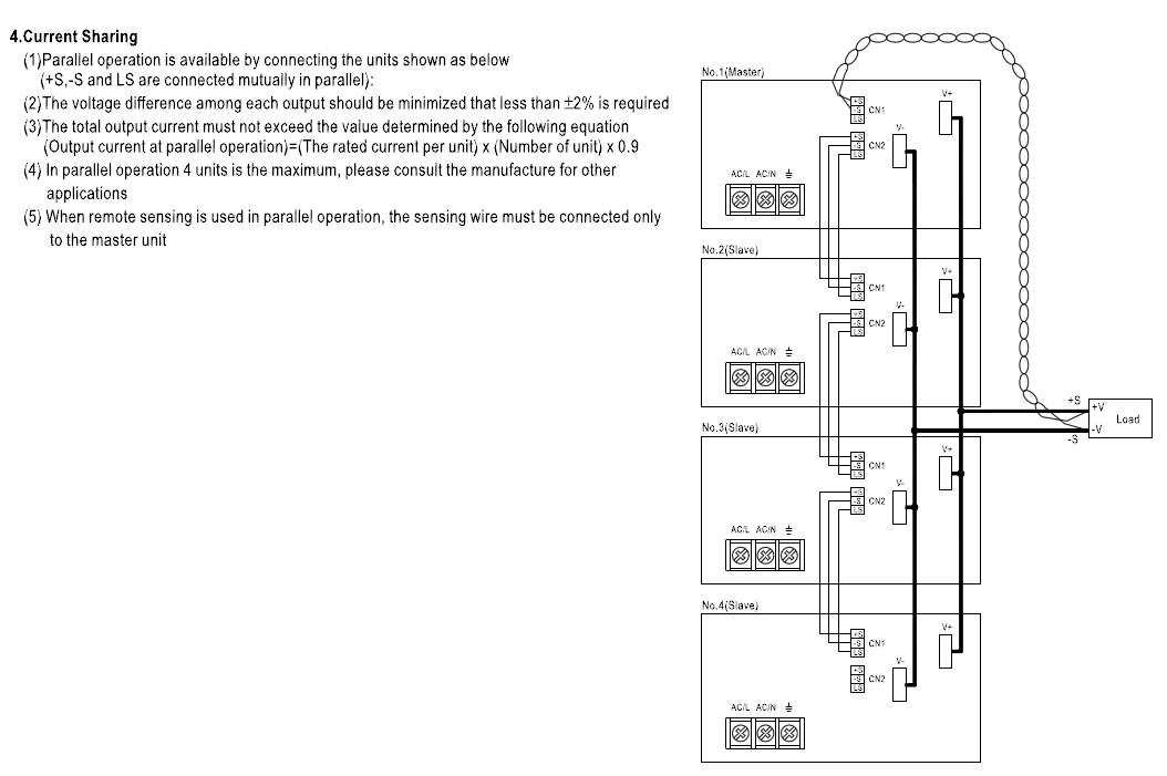
Optional ist noch zusätzlich erhältlich zu diesem Netzteil ( Nicht zwinden nötig - nur für Remote und Steuer Anwendung )

  • Bst Nr : 40-874-00390 = Adapterkabel  8pol Pfostenkabel CN1 CN2 für Regelung oder Remote ON/OFF
  • Bst Nr : 40-874-00385 = Adapterkabel  6pol Pfostenkabel CN3 für Mess und Remote
  • Bst Nr : 21-817-00510 = ext Poti zum externen einstellen 20-26,4V = 5KOhm LIN  6mm Achse Metall
  • Bst Nr : 21-817-00510 = ext Poti zum externen einstellen 20-26,4V = 4,7Kohm LIN  6mm Achse KST

ZUSATZINFO : Ersatzartikel z.B. auch = 2x Art-Nr 93-807-00252 = 15V DC 0-64A mit Parallel Funktion = 128A 

0 von 0 Bewertungen

Durchschnittliche Bewertung von 0 von 5 Sternen

Bewerten Sie dieses Produkt!

Teilen Sie Ihre Erfahrungen mit anderen Kunden.


Produktgalerie überspringen

Zubehör

Rabatt
16qmm Kabel FLY 1adrig hochflexibel 99,9% Kupfer OFC ROT je lfm
16qmm Kabel FLY 1adrig hochflexibel 99,9% Kupfer OFC ROT je lfm

16qmm Kabel FLY 1adrig Rot hochflexibel  OFC Hochstromkabel 99,9% Kupfer Batteriekabel Typischer Einsatz 12V / 24V / 36V / 48V Gleichspannung  KFZ, Caravan, Bus für Relais Akku usw.  Solartechnik Anschlußkabel für Wechselrichter, Batterie, Akkus usw. Akkutechnik Anschlußkabel für Trenndioden, Hochstromrelais, Batterie, Akkus usw. CAR-HiFi Technik z.B. Batteriekabel für Endstufen  Technische Daten:  FLY Anschlusskabel hochflexibel zum verarbeiten Litzenaufbau: Cu 99,9% hochflexibel OFC ( Oxyd-Freies-Cabel )  Flex-Kabel durchgefärbt, glänzend rot Flexkabel 1x16mm²  rot glänzend, durchgefärbt Adernaufbau 504x0.195mm Meter-Markierung für einfache Handhabung Hochwertiges Elektrolyt-Kupfer ( Ecu ) mit 99.9% Kupferanteil. Made in Germany Kabelquerschnitt:   16qmm 1adrig Isolationsmaterial: PVC  Rot rauchfarben leicht transparent  Rollengröße = max Länge 50-Meter 8,75Kg je Rolle  Abgabe je lfm = je laufender Meter = 0,172Kg  Optionales empfohlenes Zubehör :  Bst Nr. 45-821-01100 = Ringkabelschuh M6 Kabelschuh unisoliert für 16qmm  Kabel  Bst Nr. 45-821-01108 = Ringkabelschuh M8 Kabelschuh unisoliert für 16qmm  Kabel Bst-Nr 45-821-00125 = Ringkabelschuh M8 Kabelschuh teilisoliert ROT für 16qmm  Kabel Bst Nr. 39-400-00095 = Sicherungshalter für AGU Sicherungen 10A bis 80A Erhältlich wie folgt :  Art-Nr 42-772-00685 = 16qmm Kabel Litze FLY  1-adrig hochflexibel 906x0,15 - Black je 1x lfm Art-Nr 42-772-00675 = 16qmm Kabel Litze FLY  1-adrig hochflexibel 906x0,15 - ROT je 1x lfm Art-Nr 42-772-00663 = 10qmm Kabel Litze FLY  1-adrig hochflexibel 882x0,12 - ROT  = 5m Packung 

Verkaufspreis: 5,80 € Regulärer Preis: 8,95 € (35.2% gespart)
Rabatt
16qmm Kabel FLY 1adrig hochflexibel 99,9% Kupfer OFC Schwarz je lfm
16qmm Kabel FLY 1adrig hochflexibel 99,9% Kupfer OFC Schwarz je lfm

16qmm Kabel FLY 1adrig Schwarz hochflexibel  OFC Hochstromkabel 99,9% Kupfer  Typischer Einsatz 12V / 24V / 36V / 48V Gleichspannung  KFZ, Caravan, Bus für Relais Akku usw.  Solartechnik Anschlußkabel für Wechselrichter, Batterie, Akkus usw. Akkutechnik Anschlußkabel für Trenndioden, Hochstromrelais, Batterie, Akkus usw. CAR-HiFi Technik z.B. Batteriekabel für Endstufen  Technische Daten:  FLY Anschlusskabel hochflexibel zum verarbeiten Litzenaufbau: Cu 99,9% hochflexibel  OFC ( Oxyd-Freies-Cabel )  Flex-Kabel durchgefärbt, glänzend schwarz Flexkabel 1x16mm²  schwarz glänzend, durchgefärbt Adernaufbau 504x0.195mm Meter-Markierung für einfache Handhabung Hochwertiges Elektrolyt-Kupfer ( Ecu ) mit 99.9% Kupferanteil. Made in Germany Kabelquerschnitt:   16qmm 1adrig Isolationsmaterial: PVC  rauchfarben leicht transparent  Rollengröße = max Länge 50-Meter = 8,7Kg  lfm = je laufender Meter = 0,172Kg  Optionales empfohlenes Zubehör :  Bst Nr. 45-821-01100 = Ringkabelschuh M6 Kabelschuh unisoliert für 16qmm  Kabel  Bst Nr. 45-821-01108 = Ringkabelschuh M8 Kabelschuh unisoliert für 16qmm  Kabel Bst-Nr. 45-821-00135 = Ringkabelschuh M8 Kabelschuh teilisoliert BLACK für 16qmm  Kabel Bst Nr. 39-400-00095 = Sicherungshalter für AGU Sicherungen 10A bis 80A Kabel erhältlich wie folgt :  Art-Nr 42-772-00685 = 16qmm Kabel Litze FLY  1-adrig hochflexibel 906x0,15 - Black je 1x lfm Art-Nr 42-772-00675 = 16qmm Kabel Litze FLY  1-adrig hochflexibel 906x0,15 - ROT je 1x lfm Art-Nr 42-772-00663 = 10qmm Kabel Litze FLY  1-adrig hochflexibel 882x0,12 - ROT  = 5m Packung 

Verkaufspreis: 5,80 € Regulärer Preis: 8,95 € (35.2% gespart)
Neu
Kabelkit SYNCKABEL 8pol Steuerleitung für MeanWell CN1 CN2 CN100 8pol Stecker zur Netzteile Serie
Kabelkit SYNCKABEL 8pol Steuerleitung für MeanWell CN1 CN2 CN100 8pol Stecker zur Netzteile Serie

8pol Stecker zu MeanWell Kabelkit bzw. Steuerleitung für MeanWell Netzteile der RSP Serie usw.  für Meanwell Serie Netzteile mit 8pol Stecker mit RM2 für Remote, Sens und Brückung von mehrer Netzteilen selber Bauart     z.B. CN1 / CN2 ( HRS DF11-8DP-2DS ) zu RSP1000 / RSP1500 / RSP2400 / RSP3000 ... z.B. CN-100 HRPG-300 ( G-Serie ) u.v.w.m.  **** kleine Menge ab Lager *** größere Mengen derzeit ca. 2 Wochen Lieferzeit derzeit ***  Bestehend aus: Spezieller 8-polige Mini Pfostenverbinder ( 1x 8pol Stecker auf Litzenkabel ) wie folgt: 8-poliger Mini Pfostenverbinder 9,0x4,0mm (zweireihig) Litzenkabel je 0,14qmm Länge ca. 300mm für Remote und Controlling Aufgaben an den Netzteilen ( siehe auch weitere Bilder ) Rastermass RM2 (7,2x4,2mm  RM1,75 ) Für reine Remoteaufgaben an nur einem Netzteil wird nur 1-Stück benötigt !  Um z.B. 2x selbe Netzteile zu syncronisieren ( siehe auch weitere Bilder ! ) benötigten Sie in den meisten Fällen 3 Stück dieser 8pol Steckverbinder ( CN1 / CN2 / CN100 ) Lieferumfang: 8pol Mini Stecker mit 300mm Steuerkabel   Zusatzinfo dieses Kabelsätze sind wie folgt erhältlich :  Bst Nr 40-874-00385 =   6pol Kabelsatz mit Pfostenverbinder und Litzenkabel  Bst Nr 40-874-00390 =   8pol Kabelsatz mit Pfostenverbinder und Litzenkabel  Bst Nr 40-874-00395  = 10pol Kabelsatz mit Pfostenverbinder und Litzenkabel 

Regulärer Preis: Ab 11,95 €
Kabelkit SYNCKABEL 6pol Steuerleitung für MeanWell CN3 CN5 CN100 6pol Stecker zur Netzteile Serie
Kabelkit SYNCKABEL 6pol Steuerleitung für MeanWell CN3 CN5 CN100 6pol Stecker zur Netzteile Serie

6pol Stecker zu MeanWell Kabelkit bzw. Steuerleitung für MeanWell Netzteile Serie usw.**** kleine Menge ab Lager *** größere Mengen derzeit ca. 3-5 Wochen Lieferzeit derzeit ***  für MeanWell Serie Netzteile mit 6pol Stecker mit RM2 für Remote, Sens und Brückung von mehrer Netzteilen selber Bauart Kabelsatz mit 6pol Stecker zu HRPG-150, HRP-200, HRPG-200, ENC-120, ENC-180, ENC-240, ENC-360, HRP-150, PHP-3500, SD-500 Bezeichnung je nach Datenblatt und Modell CN3 oder CN5 oder CN100 als 6pol Ausführung Pfostenverbinder  Spezieller 6-polige Mini Pfostenverbinder wie folgt: 6poliger Mini Pfostenverbinder 6,2x4,0mm (zweireihig) für Remote und Controlling Aufgaben an den Netzteilen je nach Modell Kabelänge ca. 250mm  Lieferumfang: 6pol Mini-Stecker mit 200mm Steuerkabel ( Litze ) inkl. Beiblatt mit Belegung ( Pinlayout ) Zusatzinfo dieses Kabelsätze sind wie folgt erhältlich :  Bst Nr 40-874-00385 =   6pol Kabelsatz mit Pfostenverbinder und Litzenkabel  Bst Nr 40-874-00390 =   8pol Kabelsatz mit Pfostenverbinder und Litzenkabel  Bst Nr 40-874-00395  = 10pol Kabelsatz mit Pfostenverbinder und Litzenkabel       

Regulärer Preis: Ab 10,95 €
DIN Befestigungstreifen 140x20mm zu MW SNT
DIN Befestigungstreifen 140x20mm zu MW SNT

Befestigungsstreifen für MeanWell Schaltnetzteile Länge 140mm Breite 20mm Befestigungsstreifen für MeanWell Schaltnetzteile 6 Bohrungen 50mm / 100mm / 130mm  davon 4x 6mm Durchmesser und 2x 3,5mm zum Beispiel für die Montage von SNTSerie  PSP-600 und SP-500 usw.

Regulärer Preis: Ab 0,50 €