Zum Hauptinhalt springen Zur Suche springen Zur Hauptnavigation springen
schneller Versand
Telefonische Beratung
Rufen Sie gerne an
Rechnungszahlung für Firmen/Behörden
Telefon: +49 (0)7362 - 919093

15V Netzteil 15V 500W 33A auf 13V-18V einstellbar Case Schaltnetzteil RSP

Produktinformationen "15V Netzteil 15V 500W 33A auf 13V-18V einstellbar Case Schaltnetzteil RSP"

15V 501W Netzteil 13-18V Gleichspannung stabilisiert Einstellbar 13V-18V Vario CASE

15V Netzteil 13,5-18V einstellbare Gleichspannung. Solides Netzteil in Case Ausführung für den universellen Einsatz im Maschinenbau, Industrie, Beleuchtungstechnik, Schaltanlagen im Prinzip für alle Art von Baugruppen und Schaltungen die 13,5-18V Gleichspannung benötigen

Besonderheit:

  • Hochleistungs Netzteil mit Lüfter
  • Fernsteuerbar (Remote ON/OFF)
  • EMI Entstörfilter
  • Temperatur geregelter Lüfter mit Remote ON/OFF
  • Kleine Bauform trotz 500W Leistung mac Current Range 33,4A

Technische Daten:

  • Eingangsspannungsbereich: 230VAC typisch 85...264Vac 47...63Hz oder 120..370Vdc
  • Leistung: 500Watt
  • Ausgangsspannnung: 15V DC Gleichspannung
  • Poti Einstellbarkeit Ausgang von 13,5V....18V
  • Restwelligkeit nur 150mV p-p
  • Belastbarkeit Ausgang 0-33,4A 501W
  • Kurzschlußfest Überlastschutz
  • Netzausfallüberbrückung >18ms
  • Lastregulierung +/-0,3%
  • Überlastschutz 105-135% mit autom. Restart
  • Hoher Wirkungsgrad 88%
  • Soft-Start mit Strombegrenzung
  • Eingebauter Entstörfilter
  • Geringe Restwelligkeit 150mV vss
  • 100% Burn-In Test unter Vollast
  • Integr. aktive PFC Funktion (PF>0.95)
  • Integr. Remote ON-OFF Funktion
  • Fernschaltung 0.8V=Power On und 4..10V=Power Off
  • Integrierter Lüfter ( 1 Stück )
  • Betriebs.Temp.-Bereich: -30°...+70°C
  • Sehr solide Schraubanschlüsse 
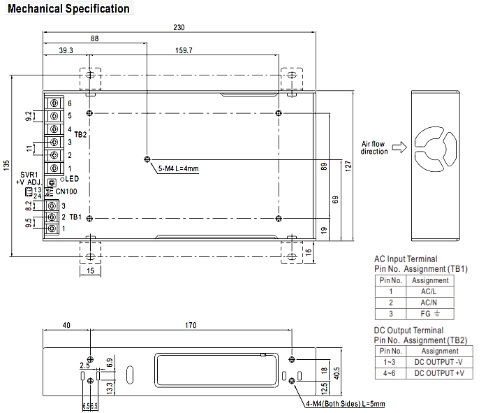
  • Abmessungen: T bzw. L:230mm H:41mm B:127mm
  • Im Boden befinden sich 5x M4 Gewinde ( 160x89mm ) zur Befestigung von Hutschienenclips Blechen o.ä.
  • Auf der Seite befinden sich 4x M4 Gewinde (18/170mm) zur Befestigung von Hutschienenclips Blechen o.ä.
  • passendes Zubehör wie Hutschieneclips etc. siehe Zubehör-Register
  • Gewicht: 1.35kg

0 von 0 Bewertungen

Durchschnittliche Bewertung von 0 von 5 Sternen

Bewerten Sie dieses Produkt!

Teilen Sie Ihre Erfahrungen mit anderen Kunden.