Zum Hauptinhalt springen Zur Suche springen Zur Hauptnavigation springen
schneller Versand
Telefonische Beratung
Rufen Sie gerne an
Rechnungszahlung für Firmen/Behörden
Telefon: +49 (0)7362 - 919093

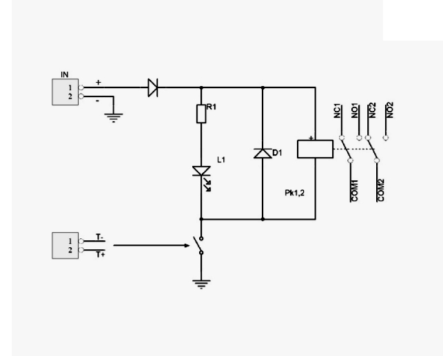
Modul 12V Relaisplatine 12V-24VDC Relaiskarte mit 2x Wechslerkontakten je 10A

Produktinformationen "Modul 12V Relaisplatine 12V-24VDC Relaiskarte mit 2x Wechslerkontakten je 10A"

Relaisplatine für 12V oder 24V DC Spannung und 2x UM = 2-Wechslerkontakten

  • Multifunktional verwendbar da die Ansteuerung über einen
  • Jumper wählbar mit 12VDC oder 24VDC-Spannung betrieben werden soll
  • Eine rote Status-LED zeigt die Funktion an
  • Universal Relaismodul mit 2-fach Wechslerkontakt für Steuerungsaufgaben aller Art
  • sehr kompaktes Relaismodul auf isolierten Kunststoffträger mit Klebepad auf der Rückseite
  • und auch Schraubbefestigungsbohrungen 
  • Kompaktes Miniatur-Relaismodul ist ideal für Steuerfunktionen
  • mit 12/24V KFZ, 12/24V Solar-, 12V oder 24V Netzteil-Schaltanwendungen, Steuerungsaufgaben,
  • Lastrelaisansteuerung, Alarmsystemen, Zugangskontrollsystemen usw. geeignet.
  • Die galvanische Trennung des Steuerkreises zum Lastkreis gibt zusätzliche Sicherheit für Ihr Systeme.

Technische Daten:

  • Relaisplatine mit Jumper zum voreinstellen ob 12V oder 24V Ansteurung ( siehe auch Schaltplan weitere Bilder )
  • somit geeignet für
  • Steuerspannung: 12V DC oder 24V DC Anwendungen aller Art
  • Range 10-15Volt DC oder 21-28Volt DC
  • Stromaufnahme Relais Ansteuerung ca. 75mA max
  • Relais: 2x Wechslerkontakt = 2x UM = jeweils NO/NC Kontakt
  • Belastbarkeit Kontakt bis 3A = 3000mA Schaltspannung bis 30VDC oder 50VAC
  • Sehr kompakte Relaiskarte auf isolierten Kunststoffträger mit Klebepad
  • Kein Bausatz bereits ein fertiges Modul !
  • Optische Signalisierung mit 1x 3mm LED in Rot
  • Schraubklemmen für Kabel bis 1,5qmm ( 0,4...1,6qmm = AWG26-14 )
  • Weitere Besonderheit
  • Zusätzlich verfügt dieses Modul noch über zwei unabhängige Anschlüße T+ und T-
  • die nicht unbedingt angeschlossen werden müßen aber können für div. Anpassungen an Umgebung
  • Die Anschlüße T+ und T- dienen zur Auslösung der Relais mit dem hohen oder niedrigen Stand
  • Auslösungsspannung T+ = +5V zu Unominal z.B: 12V Jumper +5V und T- 0V bis +7V über Transistor zur Anpassung
  • Schaltleistung der Relaiskontakts laut Aufdruck des Relais 
  • Gleichspannung bis 30V DC max 3/10A
  • Wechselspannung 250V AC max 10A / 125VAC max 12A
  • Betriebstemperatur - 10°C bis +50° C
  • Umweltsklasse II
  • Abmessungen: B: 80mm T: 43mm H: 23mm

Optionales Zubehör je nach Montageart z.B. 

Art-Nr 93-808-03200 = Hutschienenclip 45x48mm 

Art-Nr 93-808-03280 = Hutschienenclip 44x48,5mm  

Art-Nr 97-905-01900 = 19mm Doppelklebeband extra stark haftend 


0 von 0 Bewertungen

Durchschnittliche Bewertung von 0 von 5 Sternen

Bewerten Sie dieses Produkt!

Teilen Sie Ihre Erfahrungen mit anderen Kunden.


Produktgalerie überspringen

Ähnliche Artikel

Tipp
Modul 24V Relaisplatine 20-32VDC Relaiskarte mit 1x Wechslerkontakten 6A mit Klemmen
Modul 24V Relaisplatine 20-32VDC Relaiskarte mit 1x Wechslerkontakten 6A mit Klemmen

Modul 24V Relaisplatine 20-32VDC Relaiskarte mit 1x Wechslerkontakten 6A 24V Last-Relaismodul mit 1 Wechslerkontakt = 1x UM und optische Signalisierung mit Status-LEDRelaisplatine zur Umsetzung von Steueraufgaben 1x Wechslerrelais bis 6A Last schaltbar inklusive 6,3A Sicherung am Lastausgang Das 24V Relaismodul ist für 24Volt DC or AC Steuerfunktionen ausgelegt. Mit dem 6A Lastrelais und der 6,3A Schmelzsicherung ist es ideal für Steuerfunktionen auf kleinstem Raum. Es dient auch zur Umsetzung von OpenCollector-Ausgängen oder einfachen 24V Steueraufgaben auf lastgeführte Verbraucherkreise bis 6A bei bis 250VAC. Die galvanische Trennung des Steuerkreises zum Lastkreis gibt zusätzliche Sicherheit für Ihr System.Das Modul ist mit einer Kunststoffplatte mit Selbstklebeband ausgestattet, welches die Befestigung auf einer ebenen Fläche ermöglicht (Seitenwand eines Gehäuse, Hutschienenclip etc.) zusätzliche Bohrungen zur Befestigung sind an der Montagefläche vorhanden. Technische Daten : Abmessungen 70 x 43 x 23 mm ( B x H x T ) Spannungsversorgung Spule: 24VDC typisch Range 20V...32V DC/AC ( -/+5 % ) Stromaufnahme 16,7mA bei 24VDC Schaltleistung  Widerstand Spule: 1,4Kohm = 1440 OHM (-/+10%) Relaiskontakt 6A max 250VAC Schaltplan intern und weitere Daten dazu siehe weitere Bilder ! Betriebstemperatur - 10°C bis 40° C Optionales Zubehör je nach Montageart z.B. Art-Nr 93-808-03200 = Hutschienenclip 45x48mm Art-Nr 93-808-03280 = Hutschienenclip 44x48,5mm  Art-Nr 97-905-01900 = 19mm Doppelklebeband extra stark haftend 

Regulärer Preis: Ab 12,95 €
Rabatt
Modul 12V Relaisplatine 2-Kanal 12V-ACDC Relaiskarte mit Sicherung
Modul 12V Relaisplatine 2-Kanal 12V-ACDC Relaiskarte mit Sicherung

2-fach Relaisplatine für 12Volt AC oder DC Spannung. Multifunktional verwendbar da jeweils ein Gleichrichter vorgeschaltet ist. Jeweils eine Status-LED zeigt die Funktion an. In jedem Lastkreis befindet sich eine 1,5A Sicherung Universal Relaismodule je mit Wechslerkontakt für Steuerungsaufgaben aller Art. Sehr kompaktes Relaismodul auf isolierten Kunststoffträger mit Klebepad auf der Rückseite und auch Schraubbefestigungsbohrungen Links und Rechts  Kompaktes Miniatur 2-fach Relaismodul ist ideal für Steuerfunktionen mit 12V KFZ, 12V Solar-, 12V Netzteil-Schaltanwendungen, Steuerungsaufgaben, Lastrelaisansteurung, Alarmsystemen, 12V-AC Sprechanlagen z.B. Klingeltrao oder 12V-AC Türsystemen, Zugangskontrollsystemen usw. geeignet. Die galvanische Trennung des Steuerkreises zum Lastkreis gibt zusätzliche Sicherheit für Ihr System. Technische Daten: 2-fach Relais mit Gleichrichter auf der Ansteuerungsseite ( siehe Schaltplan weitere Bilder ) somit geeignet für Steuerspannung: 12V AC oder 12V DC typisch Range 10-16Volt DC oder 10-13Volt AC 1,5A Sicherung im Lastkreis ( Fuse 5x20mm ) Stromaufnahme Relais Ansteuerung ca. 33mA max je Relais: 1x Wechslerkontakt = 1x UM = NO/NC Kontakt Belastbarkeit Kontakt bis 3A = 3000mA Schaltspannung bis 30VDC oder 50VAC Sehr kompakte Miniatur-Relaiskarte auf isolierten Kunststoffträger mit Klebepad Kein Bausatz bereits ein fertiges Modul ! Schraubklemmen für Kabel bis 1,5qmm ( 0,4...1,6qmm = AWG26-14 ) Schaltleistung der Relaiskontakts laut Aufdruck des Relais Gleichspannung bis 30V DC max 3A Wechselspannung 250V AC max 3A Betriebstemperatur - 10°C bis 40° C Abmessungen: B: 80mm T: 43mm H: 19mm Zusatzinfo dieses Platine gibt es wie folgt  Bst Nr 92-477-02510 = 1-fach Platine  Bst Nr 92-477-02512 = 2-fach Platine   

Verkaufspreis: 16,95 € Regulärer Preis: 23,95 € (29.23% gespart)
Rabatt
Modul 12V Relaisplatine 1-Kanal 12V-ACDC Relaiskarte mit Sicherung
Modul 12V Relaisplatine 1-Kanal 12V-ACDC Relaiskarte mit Sicherung

Relaisplatine für 12Volt AC oder DC Spannung. Multifunktional verwendbar da ein Gleichrichter vorgeschaltet ist. Eine Status-LED zeigt die Funktion an. Im Lastkreis befindet sich eine 1,5A Sicherung Universal Relaismodul mit Wechslerkontakt für Steuerungsaufgaben aller Art. Sehr kompaktes Relaismodul auf isolierten Kunststoffträger mit Klebepad auf der Rückseite und auch Schraubbefestigungsbohrungen Links und Rechts  Kompaktes Miniatur-Relaismodul ist ideal für Steuerfunktionen mit 12V KFZ, 12V Solar-, 12V Netzteil-Schaltanwendungen, Steuerungsaufgaben, Lastrelaisansteurung, Alarmsystemen, 12V-AC Sprechanlagen z.B. Klingeltrao oder 12V-AC Türsystemen, Zugangskontrollsystemen usw. geeignet. Die galvanische Trennung des Steuerkreises zum Lastkreis gibt zusätzliche Sicherheit für Ihr Systeme. Technische Daten: Relais mit Gleichrichter auf der Ansteuerungsseite ( siehe Schaltplan weitere Bilder ) somit geeignet für Steuerspannung: 12V AC oder 12V DC typisch Range 10-16Volt DC oder 10-13Volt AC 1,5A Sicherung im Lastkreis ( Fuse 5x20mm ) Stromaufnahme Relais Ansteuerung ca. 33mA max Relais: 1x Wechslerkontakt = 1x UM = NO/NC Kontakt Belastbarkeit Kontakt bis 3A = 3000mA Schaltspannung bis 30VDC oder 50VAC Sehr kompaktes Miniatur-Relaiskarte auf isolierten Kunststoffträger mit Klebepad Kein Bausatz bereits ein fertiges Modul ! Schraubklemmen für Kabel bis 1,5qmm ( 0,4...1,6qmm = AWG26-14 ) Schaltleistung der Relaiskontakts laut Aufdruck des Relais Gleichspannung bis 30V DC max 3A Wechselspannung 250V AC max 3A Betriebstemperatur - 10°C bis 40° C Abmessungen: B: 49mm T: 43mm H: 19mm Zusatzinfo dieses Platine gibt es wie folgt  Bst Nr 92-477-02510 = 1-fach Platine  Bst Nr 92-477-02512 = 2-fach Platine   

Verkaufspreis: 12,95 € Regulärer Preis: 16,95 € (23.6% gespart)
Nur 10 auf Lager!
Rabatt
12V Relais Modul 12V Relaisplatine 1xWechsler Kontakt 3A Relaiskarte mit Schraubklemme
12V Relais Modul 12V Relaisplatine 1xWechsler Kontakt 3A Relaiskarte mit Schraubklemme

Relaisplatine für 12V Spannung. Relais mit Freilaufdiode Multifunktional verwendbar. Universal Relaismodul mit Wechslerkontakt für Steuerungsaufgaben aller Art.  sehr kompaktes Miniatur-Relais auf isolierten Kunststoffträger mit Klebepad auf der Rückseite Kompaktes Miniatur-Relaismodul ist ideal für Steuerfunktionen mit 12V KFZ, 12V Solar-, 12V Netzteil-Schaltanwendungen, Steuerungsaufgaben, Lastrelaisansteurung, Alarmsystemen, Zugangskontrollsystemen usw. geeignet. Es dient aucxh ideal zur Umsetzung von OpenCollector-Ausgängen auf lastgeführte Verbraucherkreise wie Sirenen, Lampen, Leiuchten usw. Auch als potentialfreier Kontakt gut geeignet für Wählgeräte oder Auswerteeinheiten. Die galvanische Trennung des Steuerkreises zum Lastkreis gibt zusätzliche Sicherheit für Ihr Systeme. Technische Daten: Steuerspannung: 12V DC typisch ( Range 10-14Volt DC ) Relais mit üblicher Diode am Eingang ( siehe Schaltplan weitere Bilder )  Stromaufnahme Relais Ansteuerung ca. 20mA max Relais: 1x Wechslerkontakt = 1x UM = NO/NC Kontakt Belastbarkeit Kontakt bis 3A = 3000mA Schaltspannung bis 30VDC oder 50VAC sehr kompaktes Miniatur-Relaiskarte auf isolierten Kunststoffträger mit Klebepad Kein Bausatz bereits ein fertiges Modul ! Schraubklemmen für Kabel bis 1,5qmm 380mm Anschlusslitze für die 12V Ansteuerung des Relais bereits eingeklemmt Schaltleistung der Relaiskontakts laut Aufdruck des Relais  Gleichspannung bis 30V DC max 3A Wechselspannung 250V AC max 3A Betriebstemperatur - 10°C bis 40° C Abmessungen: B: 29mm T:26mm H: 17mm  

Verkaufspreis: 5,95 € Regulärer Preis: 6,95 € (14.39% gespart)
Nur 1 auf Lager!
Modul Relaisplatine 8-fach Relaiskarte mit 5V Optokoppler Inp für ARDUINO
Modul Relaisplatine 8-fach Relaiskarte mit 5V Optokoppler Inp für ARDUINO

Univ. Relaisplatine mit 8-Relais und jeweils 5A 250V Relaisausgänge 8-Kanal Relaisplatine bzw. Fertigmodul mit Optokoppler Eingängen somit Potentialfrei schalten Stromversorgung der Relais 5Volt DC  Universal Relaiskarte mit Schraubklemmen für die Relaiskontakte für div. Anwendungen aller Art z.B. auch ARDUINOMit diesem Relais Modul lassen sich z.B. sehr einfach große Lasten schalten.Alle Anschlüsse zum Ansteuern der Relais sind auf einer Stiftleiste herausgeführt ( siehe weitere Bilder ) Die Kontroll LEDs leuchten, wenn das jeweilige Relais angesteuert wird.Die Ruhe- und Arbeitskontakte der Relais sind auf Schraubklemmen herausgeführt.Ein Relais schaltet, wenn der jeweiligen Eingang (INx) mit GND (Masse) verbunden wird.Bei +5V oder einem offenen Eingang schaltet das Relais nicht.Stromversorgung der Relais: Ist der Jumper bei VCC und JDVCC gesteckt, dann werden die Relais über VCC mit +5V versorgt.Wenn die Relais nicht über VCC versorgt werden sollen, dann muss der Jumper entfernt und an den KontaktenGND und +5V angeschlossen werden.Allgemeine Eigenschaften:Ansteuerung über 5Volt z.B. über Schalter, Transistoren oder auch Mikrocontroller etc  Anzahl Relais 8 StückRelaistyp Wechselschalter = 1x UM8x SMD-LED auf Platine jaElektrische Eigenschaften: ansteuerbar durch Arduino JaVersorgungsspannung  5Volt DC / GND = MasseStromaufnahme Steuereingang ca. 4mAStromaufnahme jeder Spule ca. 70mA ( gesamt somit 560mA ) Schaltleistung der Relaiskontakte  :AC = Wechselspannung 250VAC bis 10ADC Gleichspannung 30VDC bis 10 AAbmessungen: L: 138mm B: 56mm H:  18mmBefestigungslöcher DM 3mmNun auch als Einzelplatine mit 1x Relais erhältlich = Art-Nr 92-477-02035  

Regulärer Preis: 14,50 €
Modul Relaisplatine 1-fach Relaiskarte mit 5V Optokoppler Inp für ARDUINO ua
Modul Relaisplatine 1-fach Relaiskarte mit 5V Optokoppler Inp für ARDUINO ua

Univ. Relaisplatine mit 1-Relais und jeweils 5A 250V Relaisausgänge 1-Kanal Relais Modul 5V Optokoppler Relaiskarte z.B. auch für Arduino u.ä.Technische Daten: Mit diesem Relaismodul lassen sich z.B. sehr einfach große Lasten mit einem Mikrocontroller schalten. Alle Anschlüsse zum Ansteuern der Relais sind auf einer Klemmleiste herausgeführt. Die Kontroll LED leuchten, wenn das Relais angesteuert wird. Die Ruhe- und Arbeitskontakte der Relais sind auf Schraubklemmen herausgeführt. Ein Relais schaltet, wenn der jeweiligen Eingang (INx) mit GND (Masse) verbunden wird. Bei +5V oder einem offenen Eingang schaltet das Relais nicht.Stromversorgung der Relais: Ist der Jumper bei VCC und JDVCC gesteckt, dann werden die Relais über VCC mit +5V versorgt.Wenn die Relais nicht über VCC versorgt werden sollen, dann muss der Jumper entfernt und an den Kontakten GND und +5V angeschlossen werden.Allgemeine Eigenschaften:Anzahl Relais 1 Stück Relaistyp Wechselschalter 1x UM 1x SMD-LED auf Platine ja Elektrische Eigenschaften: ansteuerbar durch Arduino Ja Versorgungsspannung (VCC) 5 V GND = MasseStromaufnahme Steuereingang ca. 4 mAStromaufnahme Spule ca. 70 mASpulenwiderstand ca. 70 OhmSchaltleistung der Relais :Gleichspannung 30 V DC / 10 AWechselspannung 250 V AC / 10 AAbmessungen: L: 56,5mm B: 17mm H: 18mmBefestigungslöcher Ø 3mm  

Regulärer Preis: 3,99 €
Modul Relaisplatine 2-fach mit 230VAC 2A SolideState Relais SSR Halbleiterrelais und 5V OC-Eingang
Modul Relaisplatine 2-fach mit 230VAC 2A SolideState Relais SSR Halbleiterrelais und 5V OC-Eingang

2-Kanal Relaisplatine mit SolideState Relais ( 220-250VAC 2A Halbleiterrelais ) + Belastbarkeit der Halbleiterrelais jeweils max 2A 220-250V Phase schaltend + Eingang und Ausgang mit Schraubklemmen Printklemmen + Beschreibung: 2-fach 230V Schalter ON-OFF SSR HONGFA HFS4-22A-05DM max 250VAC + Ansteuerung 5Volt DC über Masseschalter + integrierte 2-fach LED Statusanzeige ( SMD LED Platine ) + Universell verwendbar + Eingebauter RC-Schutzschaltkreis + Kompatibilität mit TTL-Schaltungstreibern + Nulldurchgangserkennung Nennlast SSR: 2A / 250V AC + Durchschlagsfestigkeit: 3000 V AC + Eingang Steuersignal Spannung: 0-2,5V State Low Relais Aus und 3,3-5V State Relais An + Modulschnittstelle: Eingang: DC +: positive Stromversorgung (Relais Spannung) + DC - : Power negativ Ch: Signal zum Triggern (hohe Triggereffektivität) + Spannung 5V / Ruhestrom 0mA / Arbeitsstrom 12,5mA / Trigger Spannung 3,3-5V / + Trigger Strom 2mA / Lane 0mA 22.5mA 3,3-5 V 2mA + Schaltplan siehe weitere Bilder + Abmessungen : 53 x 32 x 23mm

Regulärer Preis: 6,99 €
Produktgalerie überspringen

Zubehör

> 500 lagernd
DIN Schienen Hutschienenclip 45mm Clip
DIN Schienen Hutschienenclip 45mm Clip

Hutschienen Universal Halteclip 45mm breit mit 3 Bohrungen. Passend zu sehr vielen Schaltnetzteilen div. Hersteller und Baugruppen sowie Schaltungsgehäusen usw. Universell vewendbar. Hutschienen Universal Halteclip 45mm breit 1x 4mm Befestigungsbohrungen und 2x M4 Gewinde Abstand der Bohrungen jeweils zueinander = 17mm (je Mitte/Mitte 0-17-34mm). Abm.: B: 45mm x H: 48mm Materialstärke: 2,5mm Material: Aluminium passend fü alle 35mm Hutschienen ( die üblichste DIN Schienen )  Optional erhältlich ( siehe unten im Zubehör-Register ) Bst Nr 93-808-03240 = Montageplatte passend zu diesem DIN Clip Halter Bst Nr 42-691-00010 = 35mm Hutschiene Länge  500mm = 0,5m  Bst Nr 42-691-00015 = 35mm Hutschiene Länge 1000mm = 1m 

Regulärer Preis: Ab 1,99 €
DIN Schienen Hutschienenclip 44mm Clip 5xBohrungen
DIN Schienen Hutschienenclip 44mm Clip 5xBohrungen

Hutschienen Universal Halteclip für Schaltnetzteil. Passend zu sehr vielen Schaltnetzteilen div. Hersteller und Baugruppen sowie Schaltungsgehäusen usw. Universell vewendbar. 5 Bohrungen insgesamt (davon 1 Reihe mit 3 Bohrungen und 1 Reihe mit 2 Bohrungen)  erste   Lochreihe 1xM3 Gew. + 1x4,2mm Bohrung + 1xM3 Gewinde Abstand der Bohrungen jeweils zueinander = 17mm (je Mitte/Mitte 0-17-34mm). zweite Lochreihe 1x4mm Bohrung + 1x4mm Bohrung zweite Reihe Bohrungsabstand: 18mm Abstand Mitte/Mitte 1-te zur 2-ten Lochreihe = 8mm Abm. des Hutschienenclips: B: 44mm x H: 48mm Materialstärke: 2,5mm Material: Aluminium.  Lieferung inkl. Schnappfeder Zeichnung siehe weitere Bilder  

Regulärer Preis: Ab 3,29 €