Zum Hauptinhalt springen Zur Suche springen Zur Hauptnavigation springen
schneller Versand
Telefonische Beratung
Rufen Sie gerne an
Rechnungszahlung für Firmen/Behörden
Telefon: +49 (0)7362 - 919093

24VAC Trafo 24V 3,6VA 150mA 24V Trafo IN 230V Platinentrafo

Produktinformationen "24VAC Trafo 24V 3,6VA 150mA 24V Trafo IN 230V Platinentrafo"

24V Platinentrafo mit 3,6VA Leistung 

Sicherheits-Netztrafo zum Einbau in Platinen aller Art. Ideal auch für die Reparatur oder Neuaufbau  von Schaltungen aller Art. Ersetzt auch die Vorgänger Trafo-Serie mit 2.8VA, 3VA, 3.2VA, 3.3VA, 3.4VA

  • Eingangsspannung: 230VAC typisch ( Primär )

  • Belastbarkeit / Leistung: bis 3,6VA

  • Ausgangsspannung 1x24V AC Wechselstrom ( Sekundär: )

  • Kern ( EI38/13,6 ) vakuumvergossen

  • Zweikammer-Spulenkörper

  • verwendbar als 1x24V AC Trafo mit 1x 150mA

  • Anschluss: Lötpins / Lötkontakte / Länge: 4,0mm 

  • Leerlaufspannung: 33,4VAC ohne Belastung

  • Schutzart IP00

  • vorbereitet für Geräte der Schutzklasse I / II

  • Temperaturklasse ta 70°C/B

  • Prüfnormen DIN EN61558-1 und -2-6

  • nicht kurzschlussfest

  • Prüfspannung 4.000V ac

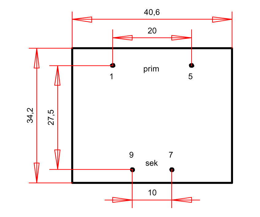
  • Abmessungen siehe auch Zeichnung = weitere Bilder ! 

  • Abmessung: Breite: 40,6mm, Tiefe: 34,2mm, Höhe: 28,5mm

  • Rastermaß: Eingang: 20mm / Ausgang: 10mm 

  • Gewicht: 0,192Kg

0 von 0 Bewertungen

Durchschnittliche Bewertung von 0 von 5 Sternen

Bewerten Sie dieses Produkt!

Teilen Sie Ihre Erfahrungen mit anderen Kunden.