Zum Hauptinhalt springen Zur Suche springen Zur Hauptnavigation springen
schneller Versand
Telefonische Beratung
Rufen Sie gerne an
Rechnungszahlung für Firmen/Behörden
Telefon: +49 (0)7362 - 919093

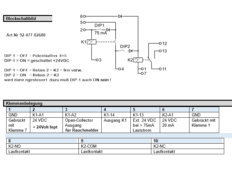
24V Relaisplatine mit 5K OPC-INP und zuschaltbarem Wechslerkontakt Ideal für die kabelgebundene Rauchmelderserie

Produktinformationen "24V Relaisplatine mit 5K OPC-INP und zuschaltbarem Wechslerkontakt Ideal für die kabelgebundene Rauchmelderserie "

Universal Relaismodul mit zuschaltbarem Wechslerkontakt + Kompaktes Univ. Relaismodul im Gehäuse ist ideal für Rauchmelder mit OpenCollector Ausgang, Steuerungsaufgaben, Alarmsystemen, Zugangskontrollsystemen usw. 

Es dient z.B. auch zur Umsetzung von OpenCollector-Ausgängen auf lastgeführte Verbraucherkreise wie Sirenen, Lampen, Türen usw. aber auch als potentialfreier Kontakt für Wählgeräte oder Auswerteeinheiten. 

Die galvanische Trennung des Steuerkreises zum Lastkreis gibt zusätzliche Sicherheit für Ihre Systeme.

Technische Daten MX1-RM-WK-2-230 : 

+ Betriebsspannung: 24V DC typisch 24V 

+ OpenCollector Eingang sehr hochohmig mit 4,6-5-Kohm somit ideal für Anwendung z.B. für kabelgebundenen Rauchmelder-Serie mit Art-Nr. 37-841-00092 + 37-841-00094 + 37-841-00096

+ Durch den integrierten DIP-Schalter können versch. Konfigurationen eingestellt werden je nach Anwendung z.B.: 

+ A) Ausgang mit potentialfreien Schließerkontakt ( 1x EIN max 2A 125V ) oder 

+ B) 24V geschaltetem Ausgang = Schließerkontakt ( 1x EIN max 2A 125V ) mit Status-LED oder 

+ C) 24V Lastrelais mit Wechslerkontakt ( 1x UM bis 10A 250VAC potentialfreier Anschluss zur freien Verwendung )

Weitere Details siehe auch weitere Bilder : 

+ geschlossenes Gehäuse mit Platine und Schraubklemmen ( Anschlussklemmen für Kabellage bis 1,5qmm ) 

+ Gehäuse mit Hutschienenclip für 35mm ( EN60715 ) Hutschienen geeignet 

+  Gehäuse ist auch für die Wandmontage geeignet da 2x Befestigungsohren bereits integriert 

+ Das Gehäuse kann auch einfach in die Zwischendecke geschoben werden 

+ Gehäusematerial ABS Kunststoff 

+ Abmessungen : - Abmessungen : 82 x 54 x 32 mm

+ Made in Germany ! 

+ Lieferung inkl. Anschlussplan

0 von 0 Bewertungen

Durchschnittliche Bewertung von 0 von 5 Sternen

Bewerten Sie dieses Produkt!

Teilen Sie Ihre Erfahrungen mit anderen Kunden.