Zum Hauptinhalt springen Zur Suche springen Zur Hauptnavigation springen
schneller Versand
Telefonische Beratung
Rufen Sie gerne an
Rechnungszahlung für Firmen/Behörden
Telefon: +49 (0)7362 - 919093

24V Motorregler bis 8A Peak 15A Maxi-MW-8-30 Motoransteuerung bürstenbehaftete 24V Gleichstrommotor

Produktinformationen "24V Motorregler bis 8A Peak 15A Maxi-MW-8-30 Motoransteuerung bürstenbehaftete 24V Gleichstrommotor"

Motoransteuerung für bürstenbehaftet 24V Gleichstrommotoren bis 8A max 15A kurzfristig +  Ansteuerung über 2 Eingänge für 1-2 24VDC Motoren bis 200/250W Leistung mit Links- Rechtslauf fals benötigt ! Einfachste Ansteuerung durch 2 Eingänge mit High-Low Signal 

Motoransteuerung für bürstenbehaftete Gleichstrommotoren bis 8/15A + Ideal für Transportbänder, Logistik, Rührgeräte, Machienenbau usw. 

Für die Steuerung folgender Funktionen : 

+ Drehrichtumgsumkehr 

+ Überlastabschaltung 

+ Kurzschlußerkennung 

+ Dynamische Bremsung 

+ zum Aufschnappen auf die Hutschiene ( DIN Schiene EN50022 35mm üblichst ) 

Das Modul Maxi-MW-8-300 ist eine Motorsteuerung für bürstenbehaftete 24V DC Motoren zur Verwendung im industriellen Umfeld. 

Das Modul gewährleistet das zuverlässige Ein- und Ausschalten von Motoren. 

Das Modul MAXI-MW-8-30 ist eine Zweiquadranten-Motorsteuerung für 1-2 DC-Motoren zur primären Verwendung im gewerblichen Umfeld. 

Das neue Modul gewährleistet das Ein- und Ausschalten von 24V DC Motoren. 

Der 24Volt Motor wird immer mit dynamischer Bremse gestoppt. 

Lastrom + Summenstrom : 

Beim Betrieb von einem Motor gilt der in den Technischen Daten angegebene Dauerlaststrom. Beim Betrieb von 2 Motoren hängt der Summenstrom von verschiedenen Faktoren ab die je nach Anwendung ermittelt werden müssen. z.B.: Umgebungstemperatur, Einschaltdauer, Einbausituation. Der Maximal angegebene Summenstrom darf nicht überschritten werden. 

Überlasterkennung/Temperaturabschaltung : 

Die Endstufe hat eine integrierte Überlasterkennung, die den Motor abschaltet, sobald die Baugruppe überhitzt. Wenn die Baugruppe abgekühlt ist, schaltet sich die Endstufe automatisch wieder ein und startet den Motor neu 

Dynamische Bremse : 

Die Dynamische Bremse ist nicht abschaltbar. Die Motorwicklung wird beim Ausschalten an beiden Klemmen auf GND geschaltet 

Kurzschlußerkennung : 

Wenn die Steuerung einen Kurzschluss erkennt, wird die Endstufe gesperrt. Die Endstufe muss durch ein neues Startsignal am entsprechenden Digitaleingang wieder freigegeben werden 

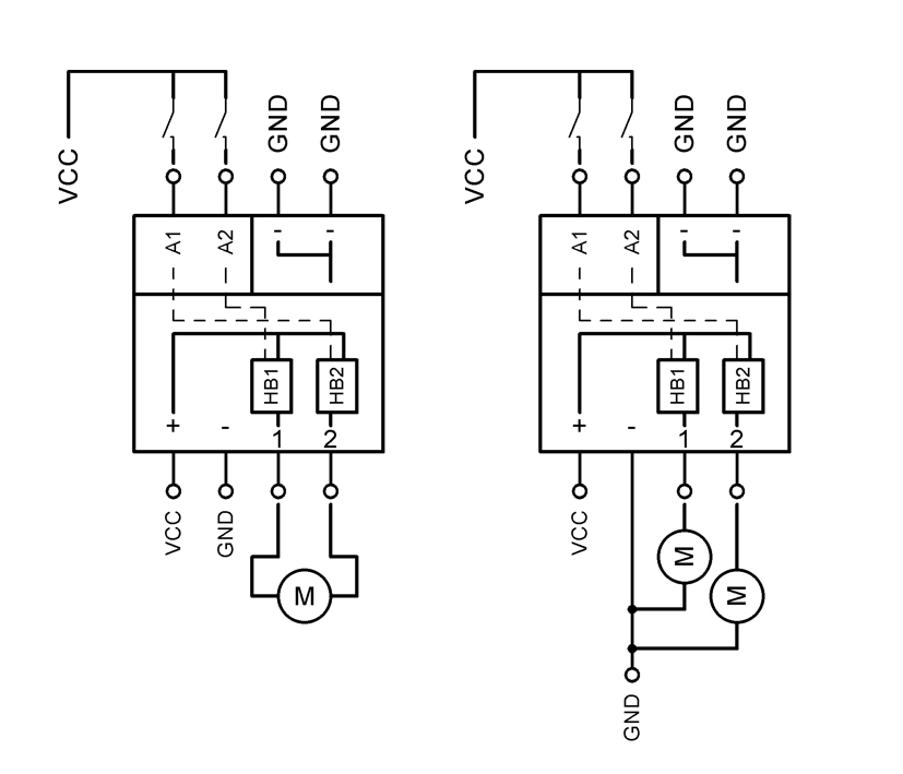
 Das Modul verfügt über folgende Anschlüße : 

+ Digitaleingänge für Rechts- und Linkslauf Digitaleingang ( A1 = Richtung "dir1") und ( A2 = Richtung "dir2" ) 

+ GND = Masse für Digitaleingang Definition Digitaleingang : High = U > 6Volt / Low-Signal = U > 3Volt 

+ Eingangswiderstand : 3,3Kohm 

+ Netzteil Eingang ( + VCC ) und ( - Minus GND ) 

+ Motorklemme 1 = geschalten von A-2 + Motorklemme 2 = geschalten von A-1 

*** siehe auch weitere Bilder mit Logikplan **** 

 Technische Daten : 

Nennspannung / Eingang typisch: 24Volt DC ( Range 10-35V DC ) 

Ausgang für Motor Dauerlastrom 8,0A max Strom 15A 

 Ruhestom nur  13mA 

Steuereingänge : 24,0V DC 

Kurzschlußerkennung : 80A Abschaltzeit nach Kurzschluß nur 100us 

Enstufe ... Treiber für Motor = MOS-FET 

Temperaturüberwachung : Ja integriert 

Überspannungsschutz Ja integriert 

Statusanzeige : LED-1 = Gelb für ( DIR-1) / LED-2 = Rot = ( Dir-2 ) 

Galvanische Trennung Eingang zu Ausgang Nein 

Dynamische Bremsung z.B. Ankerkurzschluß = nicht abschaltbar 

Definition Digitaleingang : High = U > 6Volt / Low-Signal = U < 3Volt / Eingangswiderstand : 3,3Kohm 

Temperatureinsatzbereich : -20°C ... +50°C 

Rrfüllt Normen : EMV Störfestigkeit EN61000-6-2 : 2016 

EMV Störaussendung : EN61000-6-3: 2007 +A1 : 2011 

Gehäuse: UL94V-= Kunststoff / ROHS Ja 

Abmessungen : B: 22,5mm H: 75mm / T : 102mm 

Anschlüsse und weitere Daten siehe weitere Bilder 

 Anschlüße und weitere Daten siehe weitere Bilder ! bzw. Datenblatt

0 von 0 Bewertungen

Durchschnittliche Bewertung von 0 von 5 Sternen

Bewerten Sie dieses Produkt!

Teilen Sie Ihre Erfahrungen mit anderen Kunden.


Produktgalerie überspringen

Zubehör

24V 10A Netzteil 24V 240W für DIN Hutschiene Eingang 100-250V

Durchschnittliche Bewertung von 5 von 5 Sternen

24V 10A Netzteil 24V 240W für DIN Hutschiene Eingang 100-250V

24V Netzteil direkt auf DIN-Schiene / Hutschiene  montierbar geschlossene Bauform + TOP Industriequalität extrem zuverlässig ohne Lüfter  Einsatz bei Elektroverteiler Industriesteuerungen SPS Schaltanlagen Motorsteuerungen und Mess- und Regeltechnik, Automatisierung, SPS und Microelektronik, BLC + DC Motore Beleuchtung usw. verwendbar für 24Volt DC Anwendungen aller Art  Technische Daten: geschlossene Bauform TOP-Qualitä !  konvektionsgekühlt = keine Lüfter also leise berührgeschützte Schraubanschlüsse Überlastschutz durch Strombegrenzung, auto recovery Überspannungsschutz Kurzschlussfest Hoher Wirkungsgrad  Parallel verwendbar mit weiteren Netzteilen der selben Serie ( parallel use and boost power ) PFC = Ja Power Factor Korrektur  LED-Anzeige für Power-Status 100 % Burn-In-Test unter Volllast eingebauter Entstörfilter, geringe Restwelligkeit Technische Daten: Eingangsspannung 100...240Vac (47..63Hz oder 120...370Vdc)  Ausgangsspannung: 24Vdc (Gleichspannung) stabilisiert Feineinstellung über Poti 23...28V frontseitig Leistung: 240 Watt Ausgangsstrom: max. 10A  Restwelligkeit: 180mV Line Regualtion: 1% Wirkungsgrad: 90% Überlastschutz: Ja Übertemperaturschutz: Ja Überspannungsschutz: Ausgang max. 31V Automatischer Restart by more then 110-140%  1x Status LEDs (DC ok) Safety Norm: EN60950-1 Normen: IEC60950-1-2005+A1+A2 / EN60950-1-2006+A11+A1+A12+A2:2013 EN55022:2010 / EN55024:2010 / EN61000-3-2-A1+A2 / IEC61000-3-3:2013 / EN61000-3-3:2013 EC-NO 278-2009 EN50563:2011 / EN50581:2012 Low Voltage Directive 2014/35/EU EMC Directive 2014/30/EU ERP konform bei Last 0mA sinkt der Eigenverbrauch unter 0,5Watt  Betriebstemperaturbereich: - 20° ... + 70 °C Anschluss über steckbare Schraubklemmen Ausgang: (3x(+) und 3x(-)) Anschluss über steckbare Schraubklemmen Eingang: 3x Klemmen (PE/N/L) Abmessungen: B: 60mm T:102mm mit Klemmen 113mm H:127mm Hutschienenclip anbei für übliche TS35 DIN Schiene Gehäuse: Aluminium Lüftungsschlitze oben und unten - Lüfter Nein Gewicht: 0,71kg erhältlich auch in folgenden Varianten 93-807-03024 = 24V  10W Hutschienen Netzgerät 93-807-07012 = 12V  10W Hutschienen Netzgerät 93-807-03025 = 24V  30W Hutschienen Netzgerät 93-807-03023 = 12V  30W Hutschienen Netzgerät 93-807-03026 = 24V  60W Hutschienen Netzgerät 93-807-03038 = 12V  60W Hutschienen Netzgerät 93-807-03027 = 24V 100W Hutschienen Netzgerät 93-807-06150 = 24V 150W Hutschienen Netzgerät 93-807-06180 = 12V 150W Hutschienen Netzgerät 93-807-07240 = 24V 240W Hutschienen Netzgerät 93-807-07120 = 12V 240W Hutschienen Netzgerät  

Regulärer Preis: Ab 99,99 €
Nur 8 auf Lager!
Rabatt
24V Netzteil 240W max 10A für DIN Hutschiene In 85-264V
24V Netzteil 240W max 10A für DIN Hutschiene In 85-264V

24V Netzteil 24V 10A 240W Hutschienennetzgerät DIN Schiene mit 24Volt Gleichsspannung  24V 10A Netzteil direkt auf die DIN-Schiene montierbar geschlossene Bauform, berührgeschützte Schraubanschlüsse Universaleingang Schraubkontakte Überlastschutz durch Strombegrenzung, auto-recovery geschützt gegen Kurzschluss, Überlast, Überspannung Status LED-Anzeige für DC OK  Technische Daten: Eingang: 230VAC typisch ( 50-60Hz ) Eingangsspannungsbereich: 90...264V AC (47...63Hz) oder 127...370V DC Leckstrom, max.: 1mA Ausgangsspsannung: 24Volt DC Ausgangsspannungsjustierung: +15% ( Poti 24..28V ) Ausgangsstrom 0-10A Belastbarkeit: 240Watt Restwelligkeit: 150mV Wirkungsgrad: 88,5% Lüfter Nein Luftgekühlt Integrierte PFC Funktion Überlastschutz: 105...130% HoldUp Time: 28ms ( 230VAC ) HoldUpTime: 28ms (230V) + SetupTime: 1500mS (230V) + Rise-Time: 100mS (230V)  Isolationsspannung I/P-O/P: 3000V AC / I/P-FG: 2000V AC / O/P-FG: 500V AC Normen: EN61000-6-2 ( EN50082-2 ) / UL508 / EN55032 / Betriebstemperaturbereich: -20...+70°C Abmessungen: 63 x 125,2 x 113,5mm Gewicht: 1Kg  

Verkaufspreis: 48,95 € Regulärer Preis: 71,80 € (31.82% gespart)
24V 6A Netzteil 150W für Hutschiene ideal für 24V Steuerungen und induktive Lasten wie Motoren 
24V 6A Netzteil 150W für Hutschiene ideal für 24V Steuerungen und induktive Lasten wie Motoren 

24V 6,3A Netzteil mit 150W direkt auf DIN-Schiene / Hutschiene montierbar solide Industrieausführung  Direkt auf DIN-Schiene (Hutschiene) montierbar + geschlossene Bauform + Kein Lüfter + 170% PowerBoost Funktion für 10Sek.  Besonder Eigenschaften : 170% Power Boost für 10 Sekunden somit auch ideal für induktive Lasten wie Motoren  Konvektionsgekühlt = keine Lüfter also leise  Parallel Funktion ( Es können mehrer Netzteil zusammengeschaltet werden )  berührgeschützte Schraubanschlüsse  Überlastschutz durch Strombegrenzung Überspannungsschutz  Kurzschlussfest mit Auto Recover Funktion  hoher Wirkungsgrad von 93%  LED-Anzeige für Power-On  100 % Burn-In-Test unter Volllast  eingebauter Entstörfilter, geringe Restwelligkeit. Einsatz bei Elektroverteiler und Modellbau, Schaltanlagen und Meß / Regeltechnik, Automatisierung, SPS und Microelektronik, Smart-Home Systeme, Motore und Beleuchtung. Somit verwendbar für Anwendungen im 24Volt Gleichspannungsbereich: Technische Daten: Betriebspannung: 230VAC typisch 50/60Hz  Eingangsspannung 85...264Vac (47..63Hz oder 120...370Vdc)  Power Factor: > 0.96  Ausgangsspannung: 24Vdc (Gleichspannung) stabilisiert  Feineinstellung über Poti 23...28V Frontseitig  Belastbarkeit / Leistung: 150Watt  Ausgangsstrom: max. 6,3A   Restwelligkeit: 240mV = Ripple/Noise: < 1 % of Output Voltage  Hold-up Time: 20ms full Load, 230 VAC Parallel OperaOon: Yes  Wirkungsgrad: 93%  Überlastschutz: Ja  Übertemperaturschutz: Ja /  Überspannungsschutz für den Ausgang bei 35V  1x Status LEDs (DC ok) Safety Norm:   CE compliance with Low-Voltage DirecOve 2014/35/EU  EMC DirecOve compliance with 2014/30/EU  Safety compliance with UL508, UL60950-1, EN60950-1 Betriebstemperaturbereich: - 0° ... + 70 °C  Anschluss über steckbare Schraubklemmen Ausgang: (3x(+) und 3x(-)) / Anschluss über steckbare Schraubklemmen Ausgang:  Anschluss über steckbare Schraubklemmen Eingang: 3x Klemmen (PE / N / L) Abmessungen: B: 43mm T:76,5mm mit Klemmen 90mm H:127mm  Hutschienenclip rückseitig befestigt und anbei für übliche TS35 DIN Schiene Gehäuse: Aluminium Lüftungsschlitze oben und unten Lüfter: Nein   erhältlich auch in folgenden Varianten 93-807-03024 = 24V  10W Hutschienen Netzgerät 93-807-07012 = 12V  10W Hutschienen Netzgerät 93-807-03025 = 24V  30W Hutschienen Netzgerät 93-807-03023 = 12V  30W Hutschienen Netzgerät 93-807-03026 = 24V  60W Hutschienen Netzgerät 93-807-03038 = 12V  60W Hutschienen Netzgerät 93-807-03027 = 24V 100W Hutschienen Netzgerät 93-807-06155 = 24V 150W Hutschienen Netzgerät 93-807-06180 = 12V 150W Hutschienen Netzgerät 93-807-07240 = 24V 240W Hutschienen Netzgerät 93-807-07120 = 12V 240W Hutschienen Netzgerät

Regulärer Preis: Ab 98,88 €
Produktgalerie überspringen

Ähnliche Produkte

Tipp
24V Motorregler bis 6A max 12A M5-BL-6-30 Motoransteuerung 0-10V für bürstenlose Gleichstrommotoren BLDC Motor
24V Motorregler bis 6A max 12A M5-BL-6-30 Motoransteuerung 0-10V für bürstenlose Gleichstrommotoren BLDC Motor

Motoransteuerung für bürstenlose Gleichstrommotoren bis 6A typisch Peak 12A Motoransteuerung für bürstenlose Gleichstrommotoren ( BLDC-Motor ) bis 6A Peak 12A + Mit Drehzahlsteuerung, Stromregelung + zum Aufschnappen auf die Hutschiene ( DIN Schiene EN50022 35mm üblichst ) Das Modul M5-BL-6-30 ist eine Motorsteuerung für BLDC-Motoren, zur Verwendung im industriellen Umfeld.  Das Modul gewährleistet das zuverlässige Ein- und Ausschalten von Motoren. Das Modul verfügt über:  + Poti-Trimmpotentiometer für die Einstellung des maximalen Drehzahlsollwerts (TR1) und Motorstroms (TR2) + Digitaleingänge für Rechts- und Linkslauf + Digitaleingang zur Deaktivierung der dynamischen Bremse + Strombegrenzung maximaler Strom einstellbar über Poti = TR2 + Analogeingang 0-10 V zur Vorgabe der Motordrehzahl + Digitalausgang zur Überstrom Meldung Eigenschaften : + Drehrichtungsumkehr + Drehzahlsteuerung + 1x Analogeingang 0-10VDC + 3x Hallsensoreingänge für Open-Collector-Sensor + 3x Digitaleingänge UDI 24VDC 1x Digitalausgang ( galvanisch getrennt ) + Dynamische Bremsung abschaltbar + Strombegrenzung Kurzschlußerkennung ISC = 80A + zum Aufschappen auf übliche 35mm Hutschienen ( DIN-Schiene EN50022 ) + Baubreite nur 22,5mm + Einbauart: Schaltschrank typisch Klemmen ( Schraubklemmen ) für Kabellage 0,2...2,5qmm Technische Daten : + Nennspannung Eingang typisch: 24Volt DC ( Range 15-30V DC ) + Dauerlastrom 6,0A max Strom 12A + Strombegrenzung : 1A...6A einstellbar ( Strom current TR-2 Trimmer auf Front ) + Drehzahlbereich : 5% bis 97% Einstellbar ( PWM Speed TR-1 Trimmer auf Front ) + Analogeingänge 0-10VDC ( 24V tolerant )  + Statusanzeige : LED-1 = Grün ( Redy OK ) / Led-2 = Rot ( Overcurrent ) + Ausgangskreis / Lastkreis = MOS-FET + Startrampe fest eingestellt 50ms / Startzeit : 1-Sekunde + Temperatureinsatzbereich : -20°C ... +60°C + Erfüllt Normen : + EMV Störfestigkeit EN61000-6-2 : 2005-08 + AC2005-9 + EMV Störaussendung : EN 61800-3:2004 +A1:2012 / EN61000-6-4: 2007-01 +A1 : 2011-02 + Gehäuse: UL94V-= Kunststoff Anschlüße weitere Daten siehe weitere Bilder ! bzw. Datenblatt

Regulärer Preis: Ab 149,95 €
Tipp
24V Motorregler bis 5A Peak 15A M3-2QB-5-30 SPS tauglich Motoransteuerung Links-Rechtlauf u Poti für Drehzahl
24V Motorregler bis 5A Peak 15A M3-2QB-5-30 SPS tauglich Motoransteuerung Links-Rechtlauf u Poti für Drehzahl

Motoransteuerung für bürstenbehaftet 24V Gleichstrommotoren bis 5A max 15A kurzfristig +  Ansteuerung über 2 Eingänge =  Analogeingang 0-10V oder Digitaleingänge mit Links- Rechtslauf  Drehzahl ! Einfachste Ansteuerung siehe auch weitere Bilder !  Motoransteuerung für bürstenbehaftete Gleichstrommotoren bis 5A Dauerstrom Peak 15A + Ideal für Transportbänder, Logistik, Rührgeräte, Chemiepark, Machienenbau usw. Motoransteuerung für bürstenbehaftete Gleichstrommotoren bis 5A Dauerstrom Peak max 15A kurzfristigFür die Steuerung folgender Funktionen : + Drehrichtumgsumkehr ( Links-Rechtslauf )  + Drehzahlsteuerung ( extern z.B. über Poti siehe weitere Bilder  ) + Strombegrenzung ( extern ) + Strombegrenzung / Stromabschaltung + Startrampe + Stoprampe + Ausblendzeit + Überlastabschaltung + Kurzschlußerkennung + Dynamische Bremsung + zum Aufschnappen auf die Hutschiene ( DIN Schiene EN50022 35mm üblichst ) Das Modul M3-2QB-5-30 ist eine 24Volt DC Motorsteuerung zur Verwendung im industriellen Umfeld. Sie gewährleistet das Ein- und Ausschalten, sowie das gesteuerte Antreiben von Motoren. Die Drehrichtung des Motors kann über einen Digitaleingang vorgegeben werden. Durch einen internen Trimmer ( Potis ) kann die maximale Drehzahl eingestellt werden, die über einen Analogeingang noch einmal verringert werden kann, um die Motordrehzahl zu steuern. Die dynamische Bremse kann über einen Digitaleingang deaktiviert werden. Das Modul verfügt über eine einstellbare Start- und Stoprampe und eine einstellbare Ausblendzeit. Der maximale Motorstrom ist über DIP-Schalter einstellbar und kann über einen Analogeingang noch einmal verringert werden. Über einen Digitaleingang kann zwischen der Funktion Stromabschaltung und Strombegrenzung umgeschaltet werden. Mittels eines weiteren Digitaleingangs kann die Baugruppe auf 100% PWM Drehzahl umgeschaltet werden. Das Modul M3-2QB-5-30 ist nach Ablauf der angegebenen Startzeit betriebsbereit. Die Startzeit beginnt ab Anlegen der Versorgungsspannung Technische Daten :  Nennspannung / Eingang typisch: 24Volt DC ( Range 18-30V DC )Dauerlaststrom Motor = 5,0A max Peak Strom 15A kurzfristig Ruhestom : 50mA Analogeingang : 0-10V DC Kurzschlußerkennung : 80A Abschaltzeit nach Kurzschluß nur 100us Kurzschlußfest : Ja selbst limitierend Enstufe ... Treiber für Motor = MOS-FET Einstellbarer Drehzahlbereich : 5...100% ( Poti TR4 = PWM ) PWM Frequenz : 15,6Khz ( Fs ) Temperaturüberwachung : Ja integriert Überspannungsschutz Ja integriert Statusanzeige : Überstrom = LED-1 = Rot / LED-2 = Grün = Betriebsbereit alles ok Trimmer = Poti = TR1 = Stoprampe ( Einstellbereich = 0...4 Sek ) Trimmer = Poti = TR2 = Ausblendzeit ( Einstellbereich = 0...1 Sek ) Trimmer = Poti = TR3 = Startrampe ( Einstellbereich = 0...4 Sek ) Strombegrenzung über DIP Schalter einstellbar = 0,5A. ....5A DC Startzeit 2 Sek. Dynamsche Bremsung ( Ankerkurzschluß ) = abschaltbar Ja Galvanische Trennung Eingang zu Ausgang Nein Ansteuerung / Ausgabe :  Digital-Eingang : High = U > 10V / Low-Signal = U < 4V / RDI = 15kohm  Digital-Ausgang : Betriebsbereit = GND = 4,7Kohm Pull-Down  / Überstrom = VCC + / Strom typisch = IDO = 700mA Analogeingang : Spannungsbereich 0-10V DC / VCC tolerant Ja 24V kein Problem / RAI Impedanz Eingang = 98,5Kohm Temperatureinsatzbereich : -30°C ... +85°C MTBF = 97,3 Jahre / ROHS JA  Erfüllt Normen : EMV Störfestigkeit EN61326-1: 2013-01 + EN61000-6-2: 200508  EMV Störaussendung im industr. DC-Netz : EN61000-6-3: 2007 +A1 : 2011 Klasse A EMV Störaussendung mit DC-Netzteilen : EN61000-6-3: 2007 +A1 : 2011 Klasse B Gehäuse: UL94V-= Kunststoff Abmessungen : B: 22,5mm H: 85mm / T : 70,4mm Die Baugruppe hat keine interne 10V Referenzspannung für die analogen Eingänge. Für den vollen Arbeitsbereich des Analogeingangs muss das Signal 10V erreichen. Eine externe Stromversorgung kann erforderlich sein.Anschlüsse und weitere Daten siehe weitere Bilder ! 

Regulärer Preis: Ab 119,65 €
Nur 5 auf Lager!
Tipp
12V Motorregler bis 5A Peak 15A M3-2QB-5-12 SPS tauglich Motoransteuerung Links-Rechtlauf u Poti für Drehzahl
12V Motorregler bis 5A Peak 15A M3-2QB-5-12 SPS tauglich Motoransteuerung Links-Rechtlauf u Poti für Drehzahl

Motoransteuerung für bürstenbehafteter 12V Gleichstrommotor bis 5A max 15A kurzfristig +  Ansteuerung über 2 Eingänge =  Analogeingang 0-10V oder Digitaleingänge mit Links- Rechtslauf  Drehzahl ! Einfachste Ansteuerung siehe auch weitere Bilder !  Motoransteuerung für bürstenbehaftete Gleichstrommotoren bis 5A Dauerstrom Peak 15A + Ideal für Transportbänder, Logistik, Rührgeräte, Chemiepark, Machienenbau usw. Motoransteuerung für bürstenbehaftete Gleichstrommotoren bis 5A Dauerstrom Peak max 15A kurzfristigFür die Steuerung folgender Funktionen : + Motor Laufrichtung ... bzw. Drehrichtumgsumkehr ( Links-Rechtslauf einf. steuerbar z.B. durch Umschalter ) + Motor-Drehzahlregelung 0-100% ( Eingang z.B. über optionales Standard-Poti siehe weitere Bilder)+ Strombegrenzung ( extern z.B. durch opt. Poti einstelbar ) + Strombegrenzung / Stromabschaltung + Startrampe + Stoprampe + Ausblendzeit + Überlastabschaltung + Kurzschlußerkennung + Dynamische Bremsung + zum Aufschnappen auf die Hutschiene ( DIN Schiene EN50022 35mm üblichst ) Das Modul M3-2QB-5-12 ist eine 12Volt DC Motorsteuerung zur Verwendung im industriellen Umfeld. Sie gewährleistet das Ein- und Ausschalten, sowie das gesteuerte Antreiben von Motoren. Die Drehrichtung des Motors kann über einen Digitaleingang vorgegeben werden. Durch einen internen Trimmer ( Potis ) kann die maximale Drehzahl eingestellt werden, die über einen Analogeingang noch einmal verringert werden kann, um die Motordrehzahl zu steuern. Die dynamische Bremse kann über einen Digitaleingang deaktiviert werden. Das Modul verfügt über eine einstellbare Start- und Stoprampe und eine einstellbare Ausblendzeit. Der maximale Motorstrom ist über DIP-Schalter einstellbar und kann über einen Analogeingang noch einmal verringert werden. Über einen Digitaleingang kann zwischen der Funktion Stromabschaltung und Strombegrenzung umgeschaltet werden. Mittels eines weiteren Digitaleingangs kann die Baugruppe auf 100% PWM Drehzahl umgeschaltet werden. Das Modul M3-2QB-5-12  ist nach Ablauf der angegebenen Startzeit betriebsbereit. Die Startzeit beginnt ab Anlegen der Versorgungsspannung Technische Daten :  Nennspannung / Eingang typisch: 12Volt DC ( Range 8-20V DC )Dauerlaststrom Motor = 5,0A max Peak Strom 15A kurzfristig Ruhestom : 50mA Analogeingang : 0-10V DC Kurzschlußerkennung : 80A Abschaltzeit nach Kurzschluß nur 100us Kurzschlußfest : Ja selbst limitierend Enstufe ... Treiber für Motor = MOS-FET Einstellbarer Drehzahlbereich : 5...100% ( Poti TR4 = PWM ) PWM Frequenz : 15,6Khz ( Fs ) Temperaturüberwachung : Ja integriert Überspannungsschutz Ja integriert Statusanzeige : Überstrom = LED-1 = Rot / LED-2 = Grün = Betriebsbereit alles ok Trimmer = Poti = TR1 = Stoprampe ( Einstellbereich = 0...4 Sek ) Trimmer = Poti = TR2 = Ausblendzeit ( Einstellbereich = 0...1 Sek ) Trimmer = Poti = TR3 = Startrampe ( Einstellbereich = 0...4 Sek ) Strombegrenzung über DIP Schalter einstellbar = 0,5A. ....5A DC Startzeit 2 Sek. Dynamsche Bremsung ( Ankerkurzschluß ) = abschaltbar Ja Galvanische Trennung Eingang zu Ausgang Nein Ansteuerung / Ausgabe :  Digital-Eingang : High = U > 10V / Low-Signal = U < 4V / RDI = 15kohm  Digital-Ausgang : Betriebsbereit = GND = 4,7Kohm Pull-Down  / Überstrom = VCC + / Strom typisch = IDO = 700mA Analogeingang : Spannungsbereich 0-10V DC / VCC tolerant Ja 12V kein Problem / RAI Impedanz Eingang = 98,5Kohm Temperatureinsatzbereich : -30°C ... +85°C MTBF = 97,3 Jahre / ROHS JA  Erfüllt Normen : EMV Störfestigkeit EN61326-1: 2013-01 + EN61000-6-2: 200508  EMV Störaussendung im industr. DC-Netz : EN61000-6-3: 2007 +A1 : 2011 Klasse A EMV Störaussendung mit DC-Netzteilen : EN61000-6-3: 2007 +A1 : 2011 Klasse B Gehäuse: UL94V-= Kunststoff Abmessungen : B: 22,5mm H: 85mm / T : 70,4mm Die Baugruppe hat keine interne 10V Referenzspannung für die analogen Eingänge. Für den vollen Arbeitsbereich des Analogeingangs muss das Signal 10V erreichen. Eine externe Stromversorgung kann erforderlich sein.Anschlüsse und weitere Daten siehe weitere Bilder ! Optional erhältlich fals benötigt ( siehe auch im Zubehör-Register div. Netzteil mit unterschiedlichre Leistung und Potentiometr ( Poti ) je nach Ausführung des Potis z.B. Art-Nr 21-817-00520 = Poti Drahtpoti 4W 10-KOhm mit 6mm Metallachse LINArt-Nr 21-817-00235 = Poti Mehrgang 10K (10gang) Metallachse 6.35mm LIN

Regulärer Preis: Ab 111,00 €